EasyManua.ls Logo

RIB NORMAL - Page 29

RIB NORMAL
Print Icon
To Next Page IconTo Next Page
To Next Page IconTo Next Page
To Previous Page IconTo Previous Page
To Previous Page IconTo Previous Page
Loading...
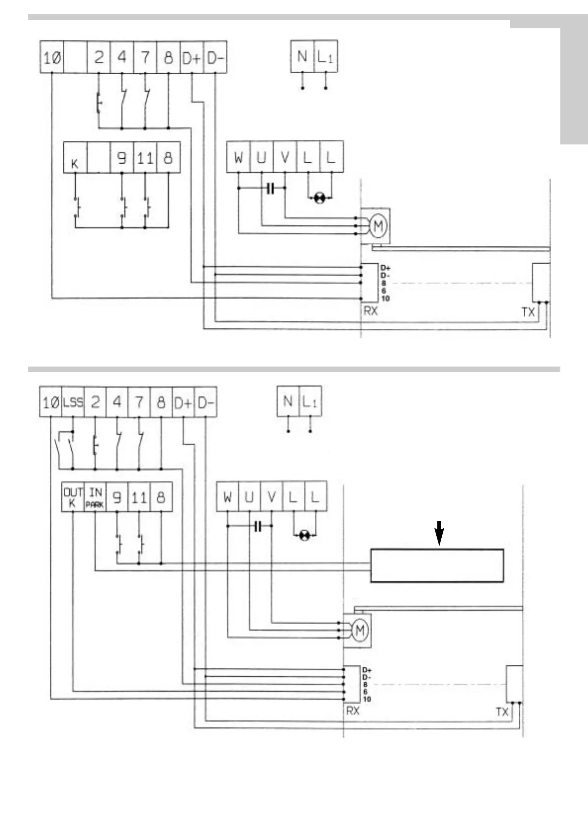
Abb. 11
NORMALE BETRIEBSWEISE
DIP4 - OFF
RX-TX = Photozellen
A = Magnetischer Sensor
B = Schranke
Eingang oder Ausgang
A
B
Abb. 12
BETRIEBSWEISE FÜR PARKPLÄTZE
DIP4 - ON
Pag. 29 di 36
D
E
U
T
S
C
H
LINIE
230VAC
LINIE
230VAC

Other manuals for RIB NORMAL

Related product manuals