EasyManua.ls Logo

RIB NORMAL - Photocell Connections and Autotest; Photocell Wiring Diagrams; Autotest Functionality Warning

RIB NORMAL
Print Icon
To Next Page IconTo Next Page
To Next Page IconTo Next Page
To Previous Page IconTo Previous Page
To Previous Page IconTo Previous Page
Loading...
70
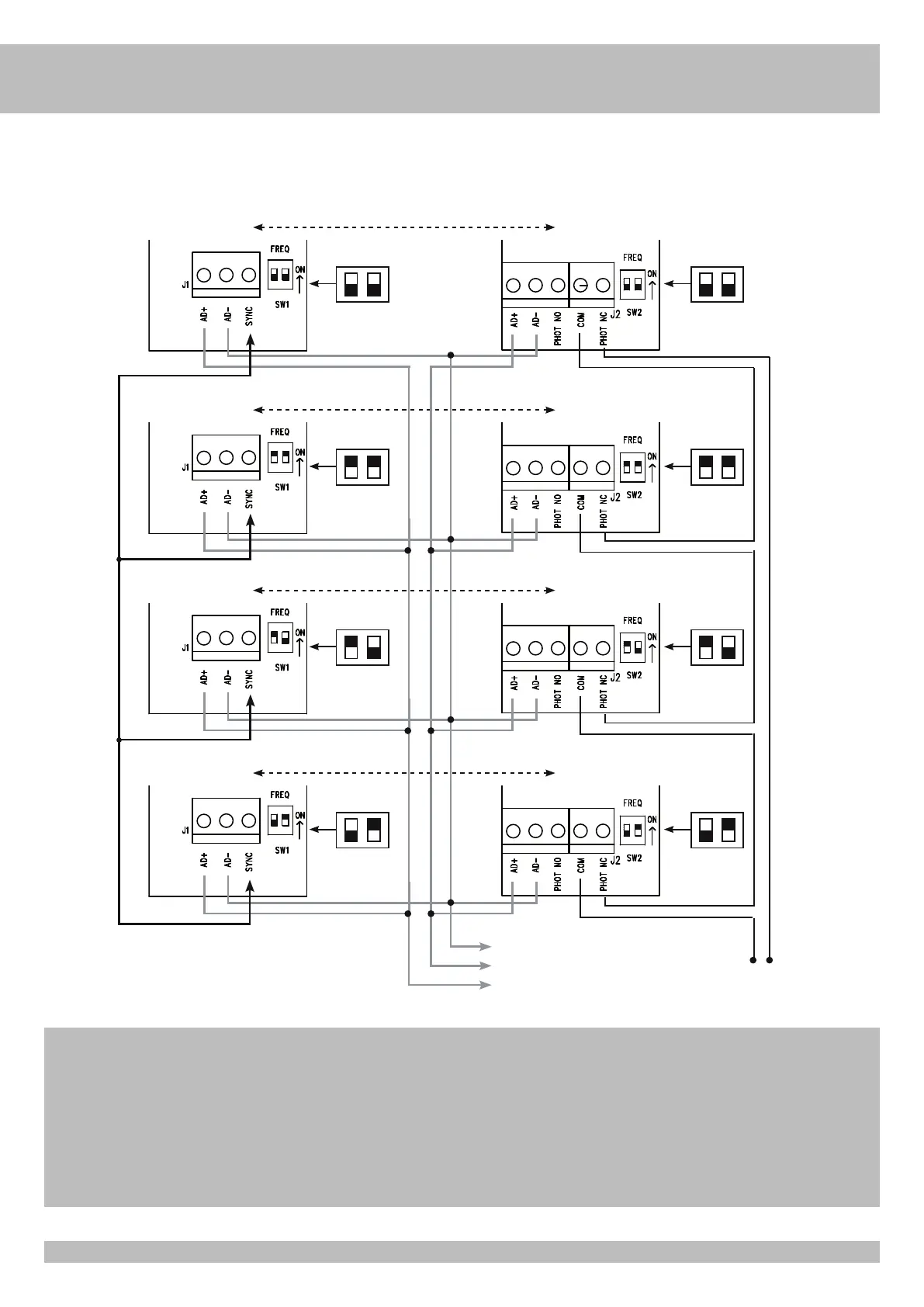
COLLEGAMENTI FOTOCELLULE - CONNEXIONS PHOTOCELLULE - PHOTOCELLS CONNECTIONS
FOTOZELLEN VERBINDUNGEN - CONEXIONES FOTOCÉLULAS
4 fotocellule NOVA sincronizzate con autotest
4 photocellules NOVA synchronisées avec autotest
4 NOVA photocells synchronized with self-test
4 NOVA Photozellen synchronisiert mit Selbstkontrolle
4 fotocélulas NOVA sincronizadas con autotest
TX3 RX3
TX2 RX2
TX1
RX1
TX4 RX4
A-
A+
A+ TEST
COM/PHOT
ATTENZIONE: Se si attiva la funzione AUTOTEST e si collega una sola fotocellula, si
deve fare un ponticello tra i morsetti PHOT 1 e PHOT 2. Se il ponticello
non viene eseguito, l'autotest fallisce ed il cancello non si muoverà.
AVERTISSEMENT: si la fonction AUTOTEST est activée et qu'une seule photocellule
est connectée, un cavalier doit être créé entre les bornes PHOT 1
et PHOT 2. Si le cavalier n'est pas exécuté, l'autotest échoue et le
portail ne bouge pas.
WARNING: If the AUTOTEST feature is enabled and only one photocell is connected,
a jumper must be made between the PHOT 1 and PHOT 2 terminals. If the
jumper is not made, the AUTOTEST fails and the gate will not move.
WARNUNG: Wenn die AUTOTEST-Funktion aktiviert und nur eine Fotozelle
angeschlossen ist, muss eine Brücke zwischen den Klemmen PHOT 1
und PHOT 2 hergestellt werden. Wenn der Jumper nicht gemacht wird,
schlägt der AUTOTEST fehl und das Gate bewegt sich nicht.
ADVERTENCIA: Si la función AUTOTEST está activada y solo se conecta una
fotocélula, se debe hacer un puente entre los terminales PHOT 1 y
PHOT 2. Si el puente no se ejecuta, la autoprueba falla y la puerta no
se moverá.

Other manuals for RIB NORMAL

Related product manuals