EasyManua.ls Logo

Rittal 3237 Series - Page 19

Rittal 3237 Series
24 pages
Print Icon
To Next Page IconTo Next Page
To Next Page IconTo Next Page
To Previous Page IconTo Previous Page
To Previous Page IconTo Previous Page
Loading...
Rittal fan-and-filter unit assembly and operating instructions 19
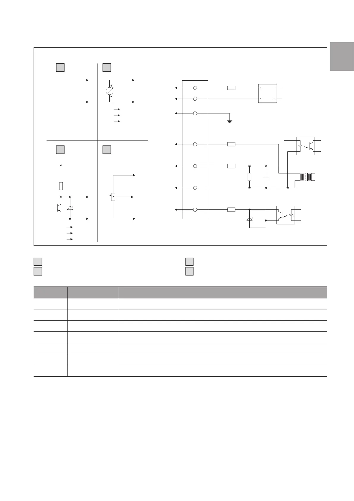
Connection diagrams
EN
CON10
CON11
CON12
L
N
PE
+10 V
10 V/PWM
GND
Speed
PE 1
I max. = 1.1 mA
I max. = 10 mA
47 k
680 R
ZMM 47
47 k
1 uF
1.6 AT
AC 1
AC 2
P
3
1
2
3
4
3
2
1
3
2
3
2
2
1
10 K
1
2
12 V
15 V
100 % PWM n = max.
10 % PWM n = min.
<10 % PWM n =
0
1
4
1
42
N
1 – 10 V
10 V n = max.
1 V n = min.
<1 V n = 0
1 2
3 4
For SK 3245 only!
Interface Fan/motor
Fig.14: Connection diagram 3245
1
Max. speed (as delivered)
2
Adjustable speed
3
Adjustable speed via PWM 1 – 10 kHz
4
Adjustable speed via potentiometer
No. Connection Function/Assignment
CON10 L Power supply 200…240 V AC, 50…60 Hz
CON11 N Neutral conductor
CON12 PE PE conductor
1 GND GND connection of the control interface
2 0…10V/PWM Control input 0…10 V or PWM, galvanically isolated, impedance 100 kΩ
3 +10 V Voltage output 10 V max. 1.1 mA, galvanically isolated, not short circuit-protected
4 Speed Speed output Open Collector, 1 pulse per revolution, galvanically isolated
Tab. 15: Explanations to fig.14

Other manuals for Rittal 3237 Series

Related product manuals