EasyManua.ls Logo

Roadmaster RMCD100M - Wiring Connections

Default Icon
16 pages
Print Icon
To Next Page IconTo Next Page
To Next Page IconTo Next Page
To Previous Page IconTo Previous Page
To Previous Page IconTo Previous Page
Loading...
Installation
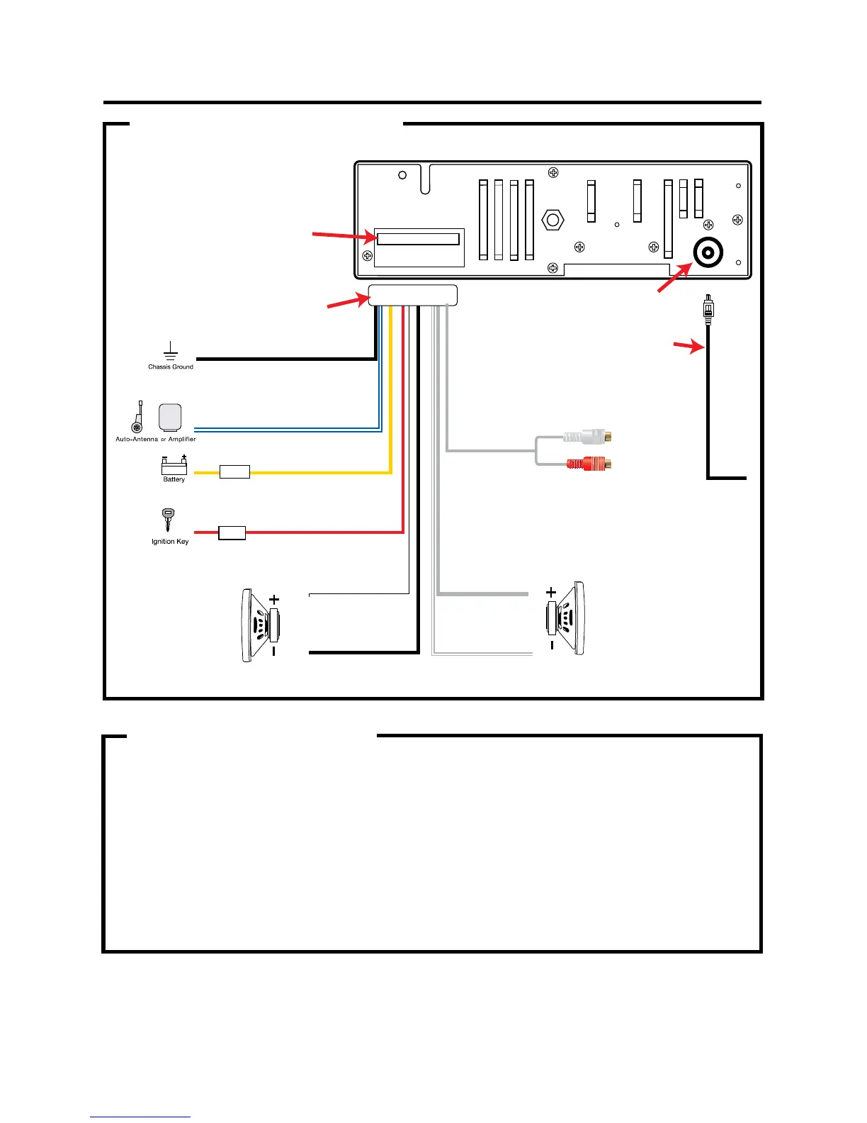
5A
1A
Antenna Receptacle
Antenna Cable & Plug
Black: Ground
Blue/White: Auto-Antenna
Yellow: Battery
Red: ACC Power
Front Speaker Out (L)
White (+)
White / Black (-)
Right Front Left Front
Grey / Black (-)
Grey (+)
Wiring Harness & Plug
Wiring Harness Socket
RCA Line Out
Red = Right
White = Left
WIRING CONNECTIONS
This unit is designed for use with two
(2) speakers with an impedance be-
tween 4 Ohms to 8 Ohms.
An impedance load of less than 4
Ohms could damage the unit.
Never bridge or combine the speaker
wire outputs. When not using four speak-
ers, use electrical tape to tape the ends
of the unused speaker
outputs to pre-
vent a short circuit.
Never ground the negative speaker
terminals to chassis ground.
Follow the above wiring diagram to install the head unit with new or existing
speakers.
Speaker Wiring Notes
7