EasyManua.ls Logo

ROBBE millennium 60 II - Page 15

ROBBE millennium 60 II
41 pages
Print Icon
To Next Page IconTo Next Page
To Next Page IconTo Next Page
To Previous Page IconTo Previous Page
To Previous Page IconTo Previous Page
Loading...
29
D
GB
F
28
II
Baustufe: 3 Stage: 3 Stade: 3
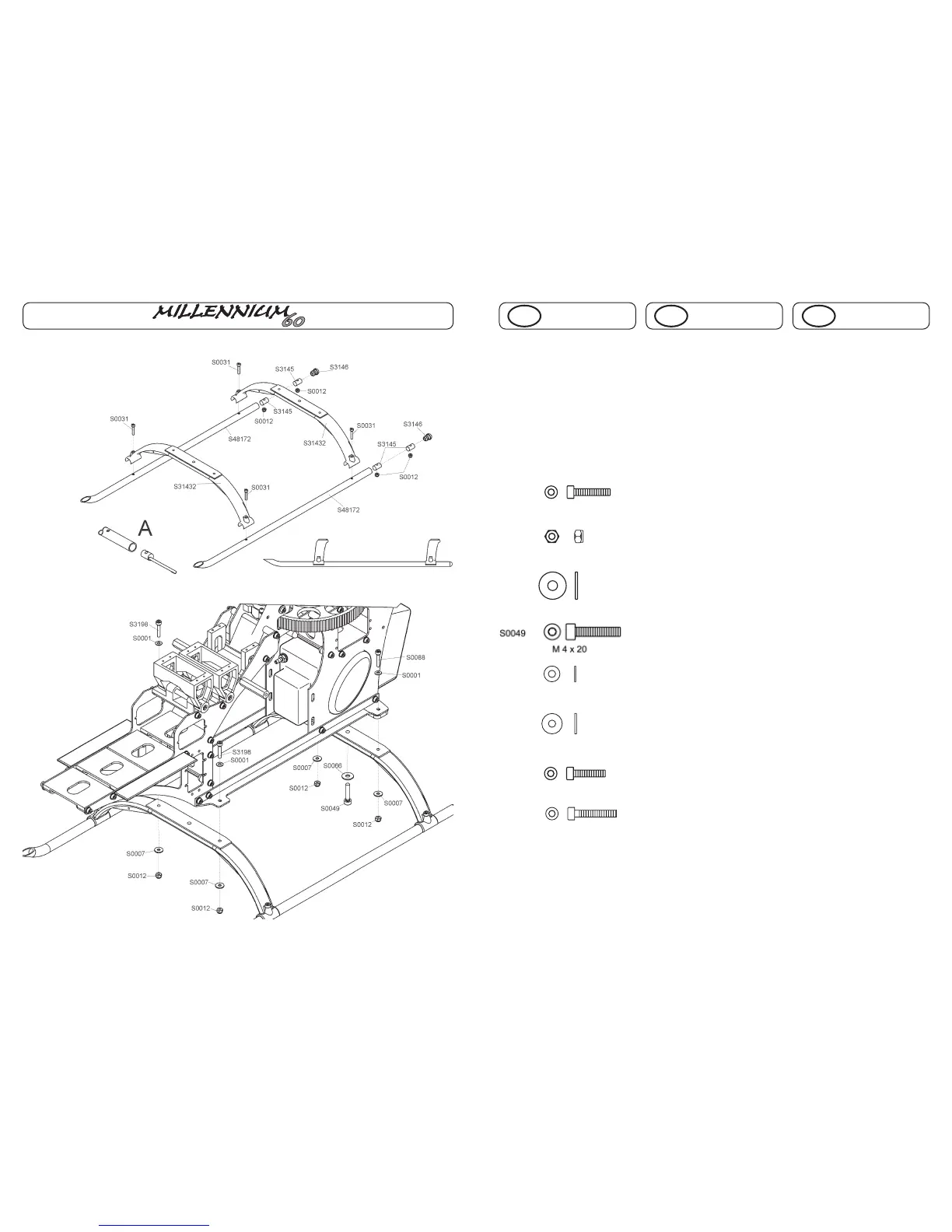
3.7 Montage Kufenlandegestell
Nach erfolgtem Zusammenbau des
Kufenlandegestells, wird die Einheit
an den Grundwinkeln montiert.
Zum Einführen der Kufenverbinder
(S3145) kann ein Gestänge ø2 mm
benutzt werden, ( Skizze A )
Achtung:
Gewindeanschluß nicht verbiegen!
3.7 Fitting the skid landing gear
Once you have assembled the skid
landing gear, fit the assembly to the
angel brackets
Use a 2 mm Ø steel pushrod as a tool
for inserting the skid connectors
(S3145) (sketch A).
Caution:
Take care not to bend the threaded
section.
3.7 Montage du train d’atterissage
L’assemblage du montage du train
d’atterissage à patins terminé,
l’ensemble est monté sur le support
triangulaire.
Pour engager le raccord de patins
(S3145) il est possible d’utiliser une
tringle de Ø 2 mm (Schéma A).
Attention:
ne pas couder le raccord fileté !
S0031
M3x16
4x
S0012
M 3 STOP
8x
S0066
4.3x12x1
1x
1x
Baustufe / Stage / Stade: 3
S0001
3.2x7x0.5
4x
S0007
3.2x9x0.8
4x
S3198
M3x14
2x
S0088
M3x18
2x

Related product manuals