EasyManua.ls Logo

ROBBE millennium 60 II - Page 7

ROBBE millennium 60 II
41 pages
Print Icon
To Next Page IconTo Next Page
To Next Page IconTo Next Page
To Previous Page IconTo Previous Page
To Previous Page IconTo Previous Page
Loading...
13
D
GB
F
12
Baustufe: 1 Stage: 1 Stade: 1
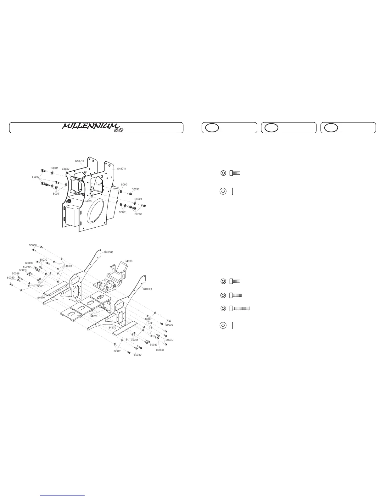
1.2 Fitting the back side-frames
1.3 Fitting the front side-frames
1.2 Montage des plaques latérales
arrière
1.3 Montage des plaques latérales
avant
1.2 Montage Seitenplatten hinten
1.3 Montage Seitenplatten vorne
S0030
M3x8
8x
S0030
M3x8
16x
S0039
M3x10
4x
S0088
M3x18
4x
Baustufe / Stage / Stade: 1
II
S0001
3.2x7x0.5
8x
S0001
3.2x7x0.5
24x

Related product manuals