EasyManua.ls Logo

Robin EH41 - Page 22

Robin EH41
71 pages
Print Icon
To Next Page IconTo Next Page
To Next Page IconTo Next Page
To Previous Page IconTo Previous Page
To Previous Page IconTo Previous Page
Loading...
-
19
-
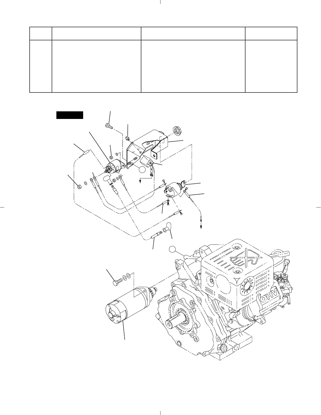
Fig. 5-5
petSevomerotstraPserudecorpdnaskrameRsrenetsaF
6
,reifitceredoiD,xoblortnoC
cirtcelEdnahctiwscitengaM
)noitpO(retrats
evomerdnaseriwtcennocsiD)1(
.xoblortnoc
cirtcelemorfseriwkcalbevomeR)2(
.retrats
evomerdnastlobowtnesooL)3(
.retratscirtcele
.scp2;8M
A
A
MAGNETIC SWITCH
M5 NUT
: 2 pcs.
CONTROL BOX
DIODE
RECTIFIER
M6 NUT : 2 pcs.
WIRE 2 CP
(
Red
)
WIRE 5CP
(
Green
)
(
Green
)
STEP 6
M6 FLANGE BOLT : 1 pce.
M6 SCREW
(PANHEAD) : 1 pce.
BOLT (STARTER) : 2 pcs.
ELECTRIC STARTER
WIRE CASING
to IGNITION COIL
to CHARGE
COIL
KEY SWITCH
WIRE 3 CP
(
Black
)
WIRE 20 CP
(
Black
)
WIRE 10 CP
(Black)

Related product manuals