EasyManua.ls Logo

Robin EH41 - Page 47

Robin EH41
71 pages
Print Icon
To Next Page IconTo Next Page
To Next Page IconTo Next Page
To Previous Page IconTo Previous Page
To Previous Page IconTo Previous Page
Loading...
-
44
-
Low Speed
Ignition
Timing
Control Circuit
I
3
I
4
Signal Transistor
A
Automatic
Advancing
Control
Circuit
I
5
I
6
Signal Transistor
B
I
1
Resister
I
2
Power Transistor
Secondary Coil
Primary Coil
Spark plug
500 1000 2000 3000 (r.p.m.)
ENGINE REVOLUTION
IGNITION TIMING
STEP ADVANCING
ELECTRONIC ADVANCING FLYWHEEL
MAGNETO SYSTEM
(
B.T.D.C.
)
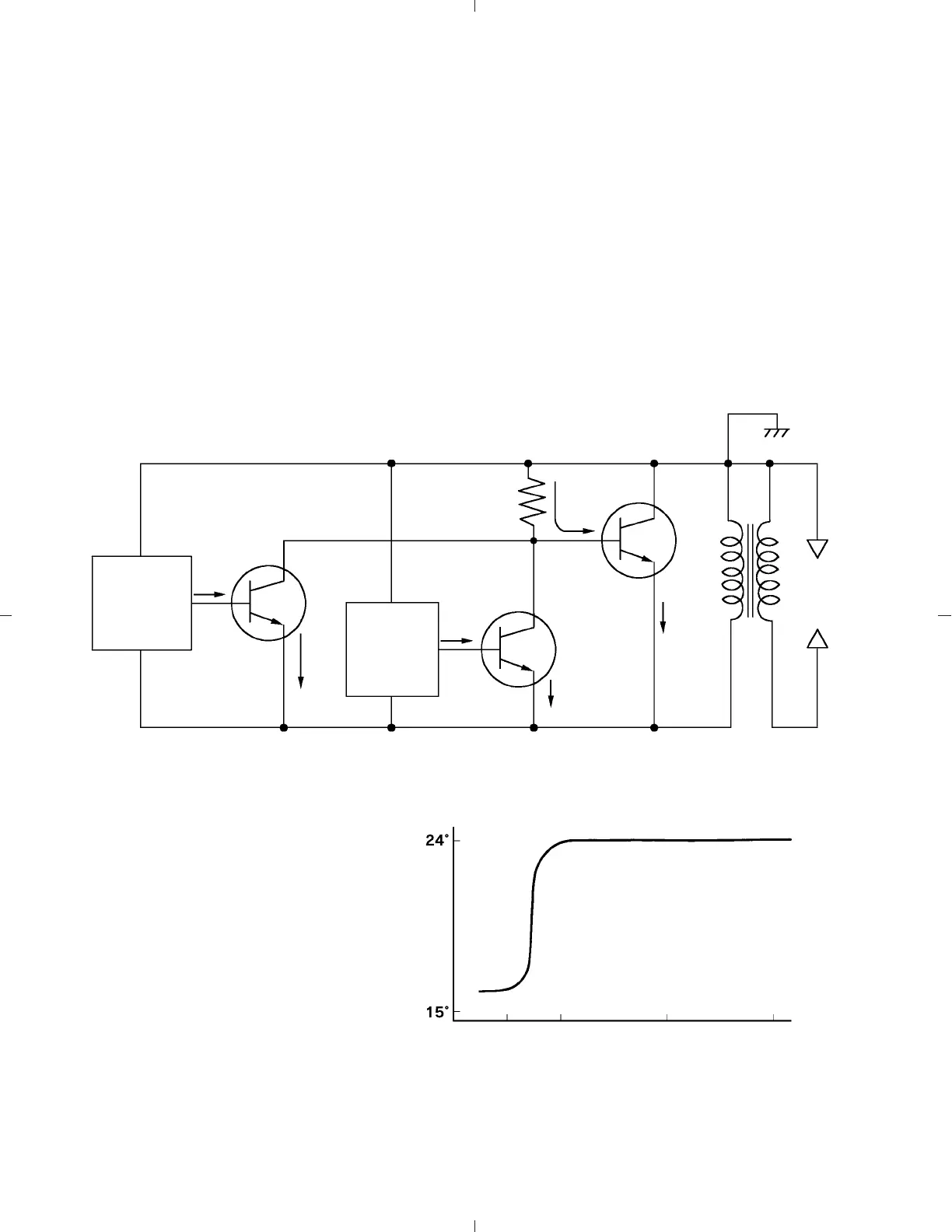
(2) At lower engine revolution, when the flywheel reached the ignition point the low speed ignition timing
control circuit operates to run the base current I
3 to turn the signal transistor A “ON” allowing the
current I
1 to bypass as current I4.
At this moment the power transistor turns “OFF” and the current I
2 is abruptly shut resulting in the
high voltage generated in the secondary coil which produces sparks at the spark plug.
(3) At higher engine revolution, the advancing control circuit operates at the ignition timing to run the
base current I
5 to turn the signal transistor B “ON” allowing the current I1 to bypass as current I6.
At this moment the power transistor turns “OFF” and the current I
2 is abruptly shut resulting in the
high voltage generated in the secondary coil which produces sparks at the spark plug.
The operating timing of the advancing control circuit advances in accordance with the increase of
engine speed resulting in the advancing of ignition timing as shown in Fig. 6-1(b).

Related product manuals