EasyManua.ls Logo

Robinson R44 - Page 97

Robinson R44
222 pages
Print Icon
To Next Page IconTo Next Page
To Next Page IconTo Next Page
To Previous Page IconTo Previous Page
To Previous Page IconTo Previous Page
Loading...
REVISED: 21 FEB 2014 7-15
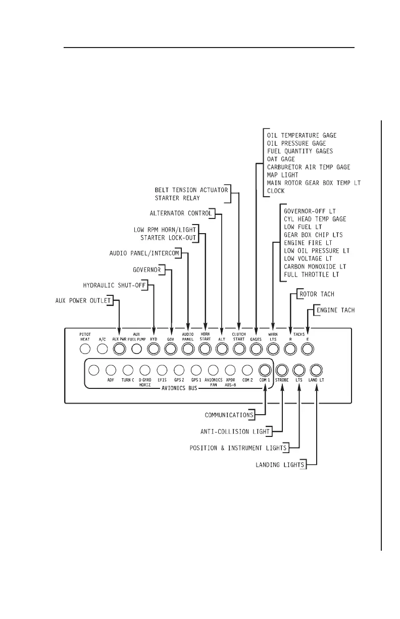
CIRCUIT BREAKER PANEL – TYPICAL (LATER AIRCRAFT)
ROBINSON
MODEL R44
SECTION 7
SYSTEMS DESCRIPTION
ELECTRICAL SYSTEM (cont’d)

Table of Contents

Related product manuals