EasyManua.ls Logo

Robland D 630 - Page 76

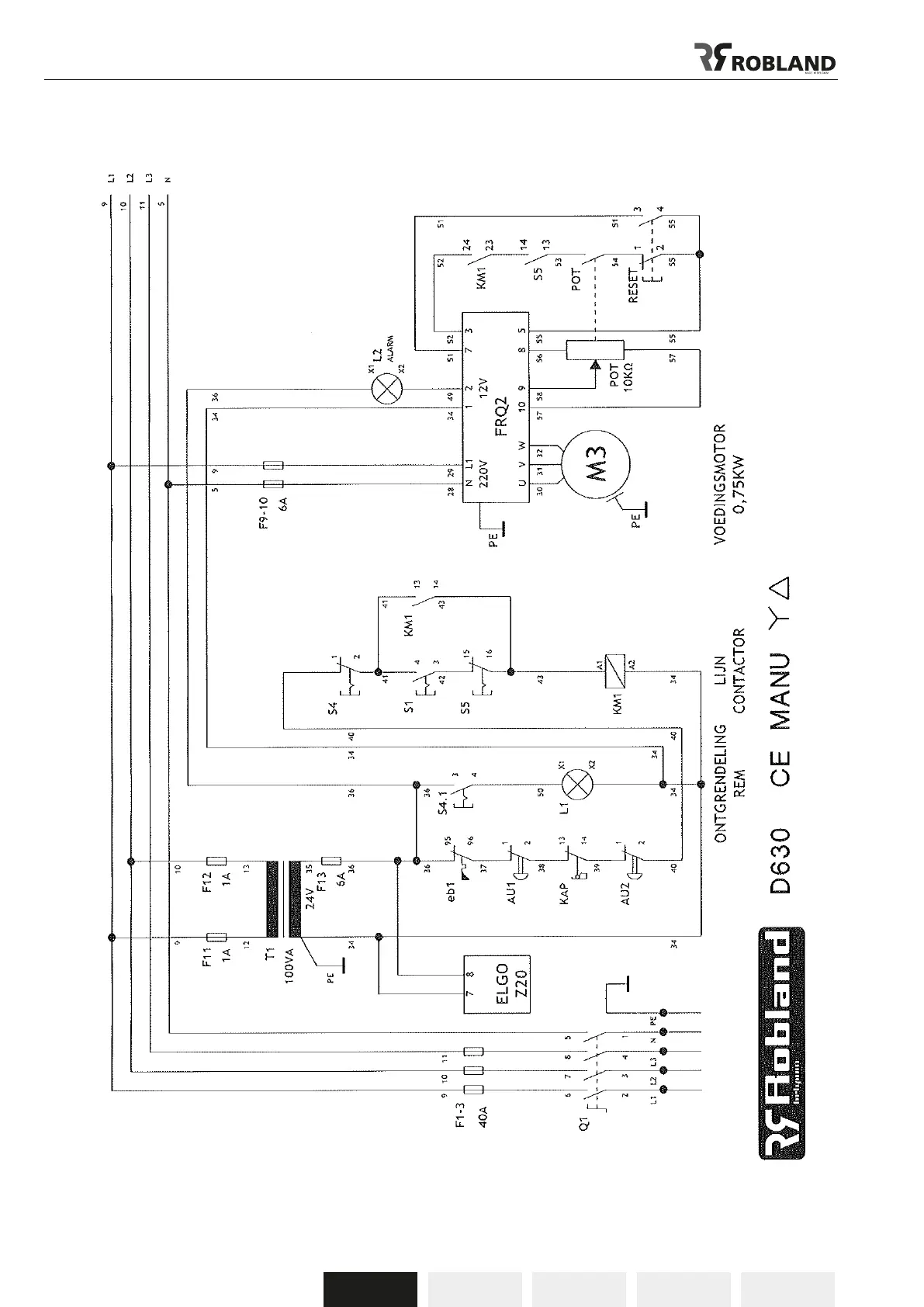
Robland D 630
Print Icon
To Next Page IconTo Next Page
To Next Page IconTo Next Page
To Previous Page IconTo Previous Page
To Previous Page IconTo Previous Page
Loading...
D 630 V1112 75
NederlandsFrançaisEnglishDeutsch

Table of Contents

Related product manuals