EasyManua.ls Logo

Rodec MX1400 - Frontpanel with Controls

Default Icon
37 pages
Print Icon
To Next Page IconTo Next Page
To Next Page IconTo Next Page
To Previous Page IconTo Previous Page
To Previous Page IconTo Previous Page
Loading...
7
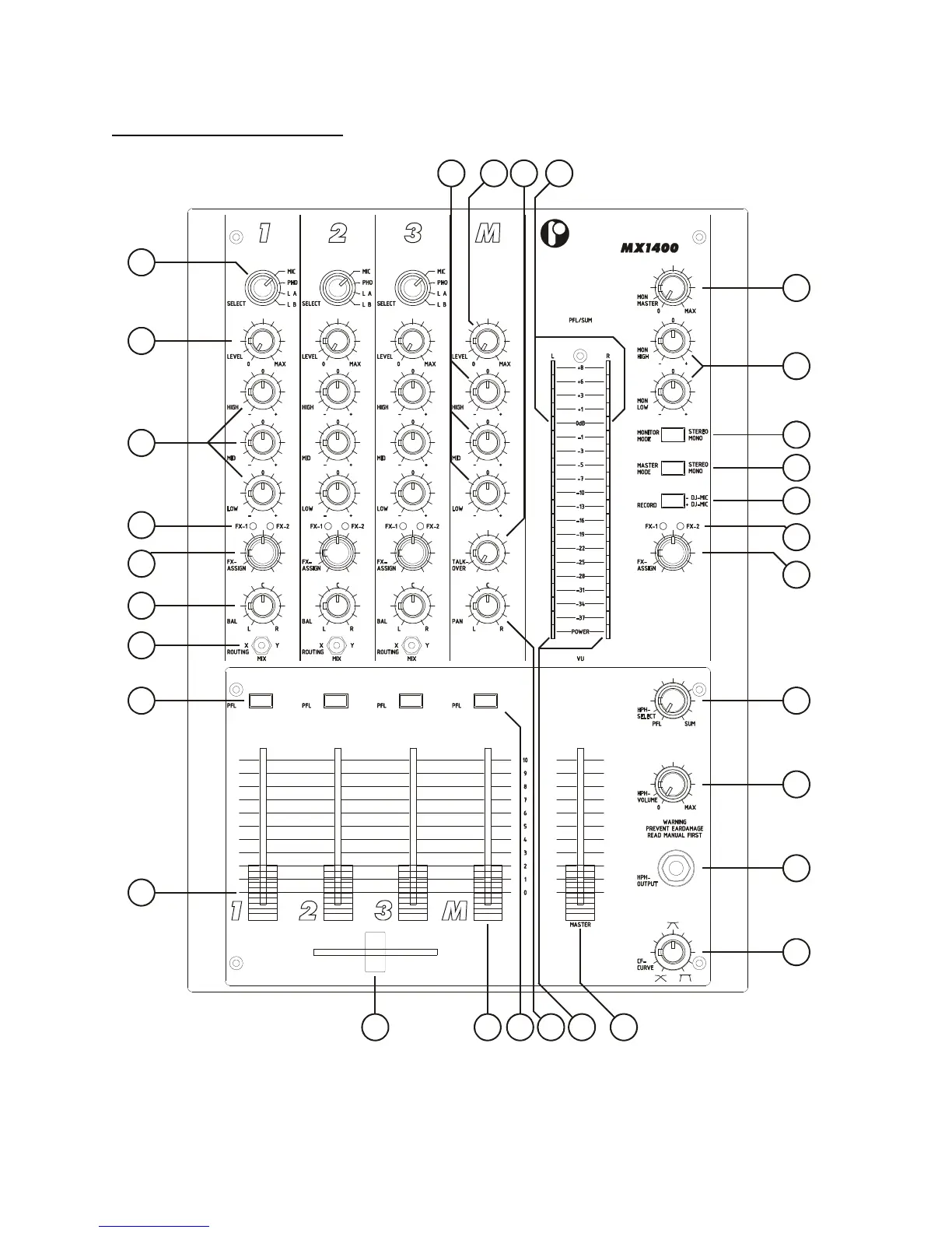
Frontpanel with controls
X
Y
RODEC
9
8
7
6
4
3
2
1
5
12
10
15
16
11
17
18
19
13
26
25
24
29
30
28
27
20
23
22
21
1) Input select switch
This selector is used to select the input signal: MICRO, PHONO, LINE A or LINE B.

Related product manuals