EasyManua.ls Logo

Rokon Motorcycle - Wiring Diagram

Rokon Motorcycle
57 pages
Print Icon
To Next Page IconTo Next Page
To Next Page IconTo Next Page
To Previous Page IconTo Previous Page
To Previous Page IconTo Previous Page
Loading...
ROKON INTERNATIONAL, 50 Railroad Ave., Rochester, New Hampshire 03839, U.S.A. Copyright 2004
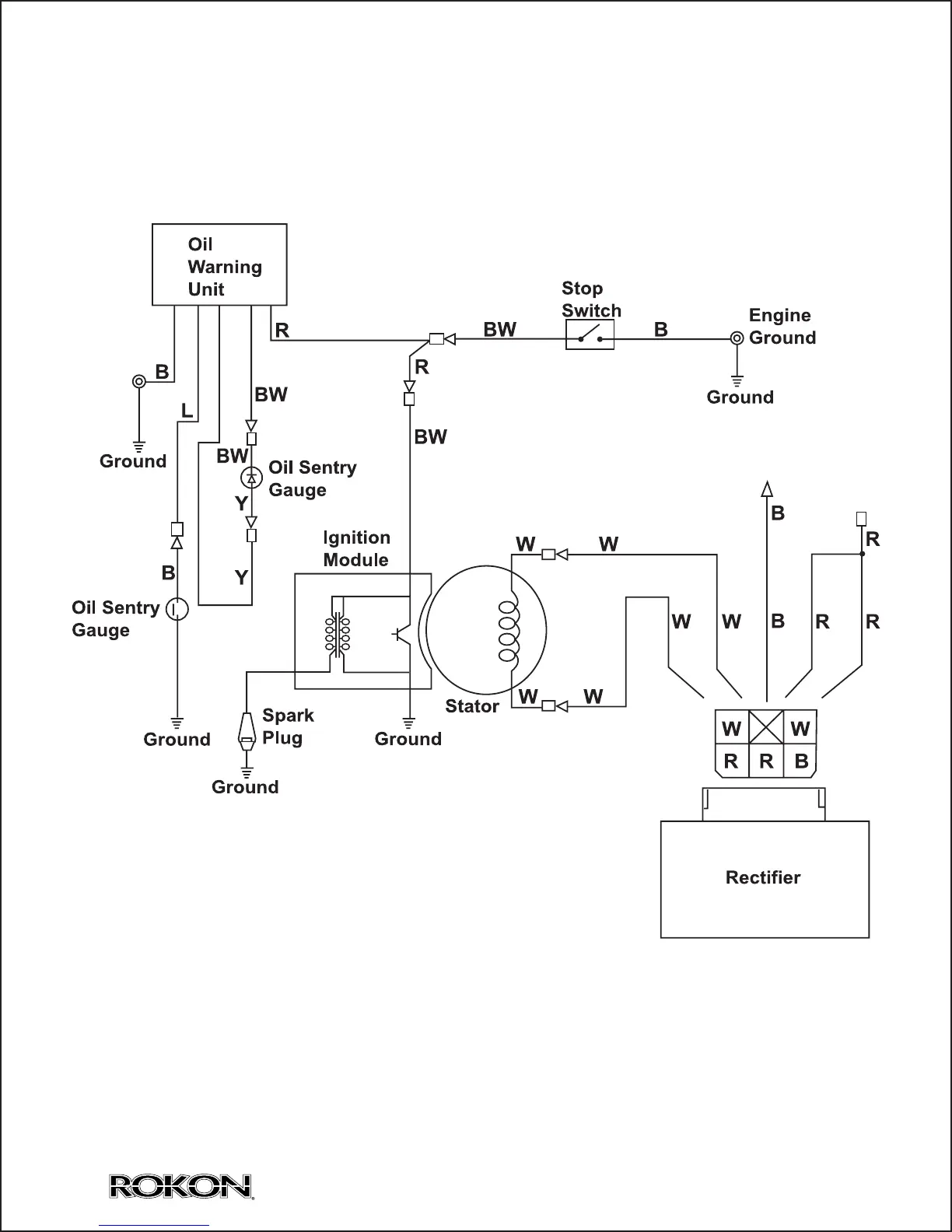
Wiring Diagram
Section 10 Continued
54

Related product manuals