EasyManua.ls Logo

Romet OGAR - Page 20

Default Icon
Print Icon
To Next Page IconTo Next Page
To Next Page IconTo Next Page
To Previous Page IconTo Previous Page
To Previous Page IconTo Previous Page
Loading...
18
DE
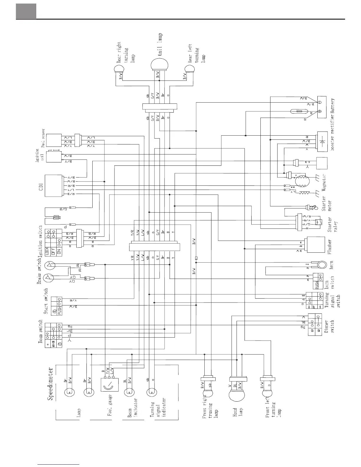
15. Schaltplan CRS 125

Related product manuals