EasyManua.ls Logo

Romet OGAR - Page 46

Default Icon
Print Icon
To Next Page IconTo Next Page
To Next Page IconTo Next Page
To Previous Page IconTo Previous Page
To Previous Page IconTo Previous Page
Loading...
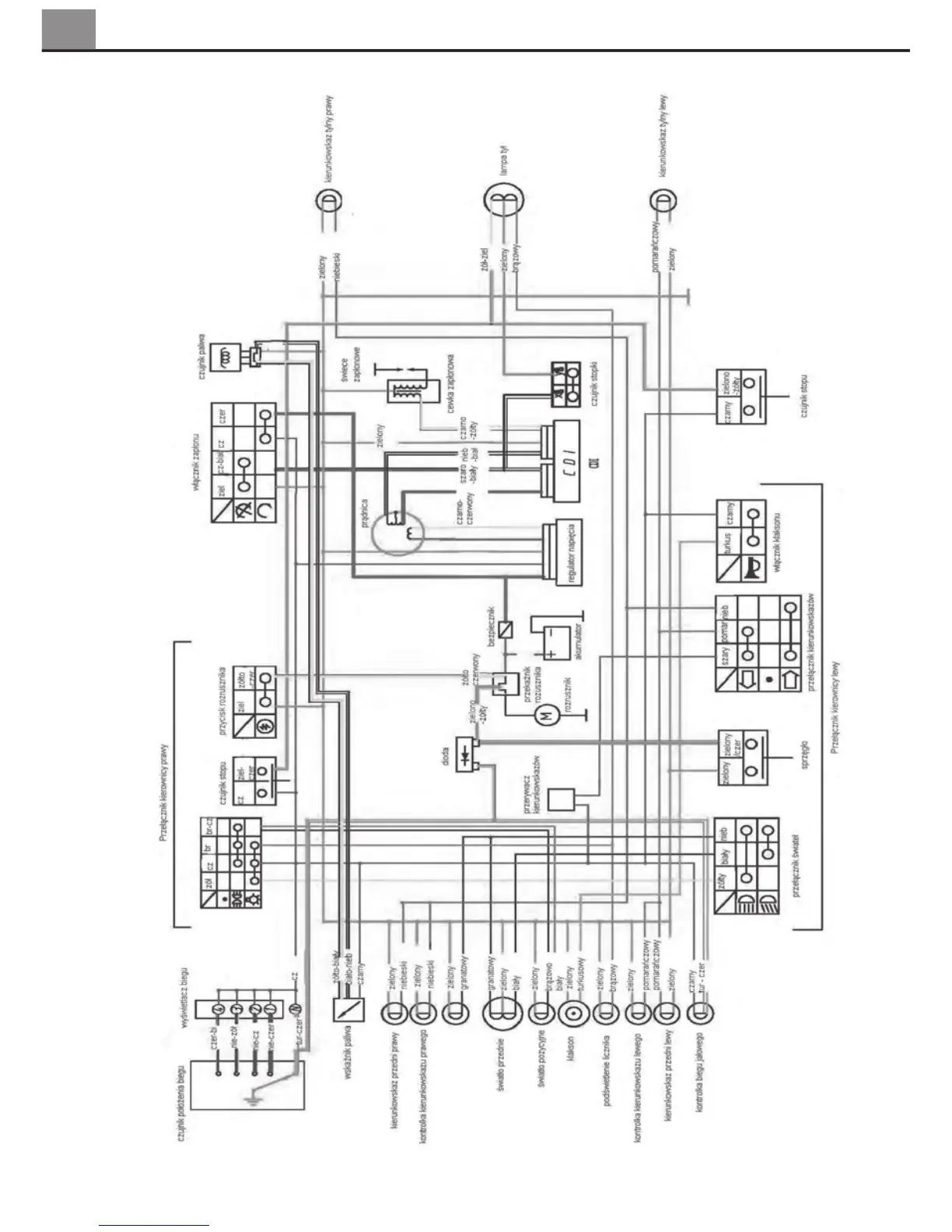
15. Circuit diagram Via / Trial City
44
GB

Related product manuals