EasyManua.ls Logo

Romet OGAR - Page 48

Default Icon
Print Icon
To Next Page IconTo Next Page
To Next Page IconTo Next Page
To Previous Page IconTo Previous Page
To Previous Page IconTo Previous Page
Loading...
GB
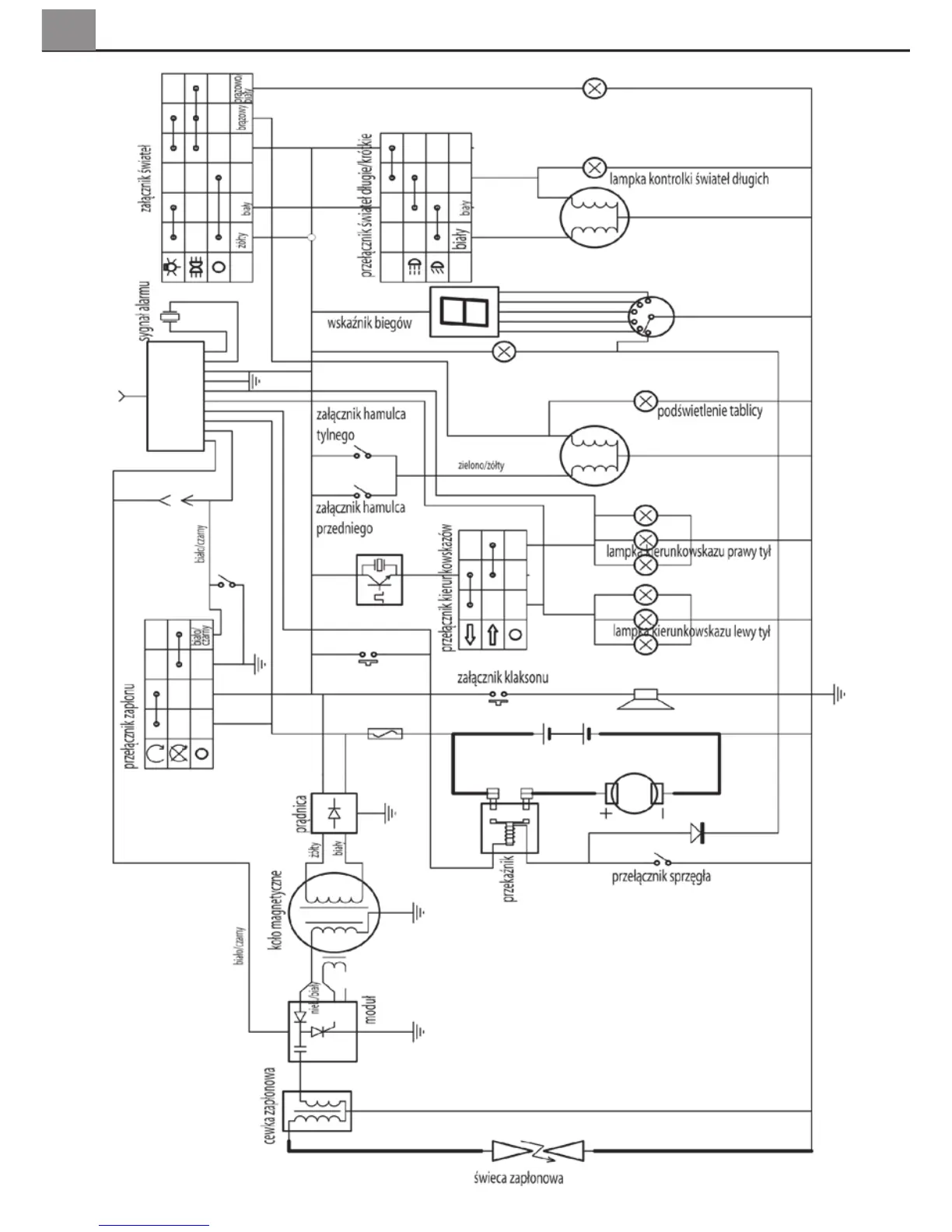
15. Circuit diagram Zetka 125
46

Related product manuals