EasyManua.ls Logo

Ronda Startech 5000 - Page 7

Ronda Startech 5000
25 pages
Print Icon
To Next Page IconTo Next Page
To Next Page IconTo Next Page
To Previous Page IconTo Previous Page
To Previous Page IconTo Previous Page
Loading...
RONDA
5010.B, 5020.B, 5021.D, 5030.D,
5040.B, 5040.D, 5040.E, 5040.F,
5050.B, 5050.C, 5051.C, 5130.B, 5130.D
Tige (dimensions / forces)
Stellwelle (Dimensionen / Kräfte)
Stem (dimensions / forces)
Issued
---
Scale
Tolerance
10:1 (A3)
01
05 Sep 2012
No.
ds5222
Sous réserve de modifications
Aenderungen vorbehalten
Modifications reserved
5030.019
Modified
Released YES
17 Mär 2017
ÄA 34582
mg5224
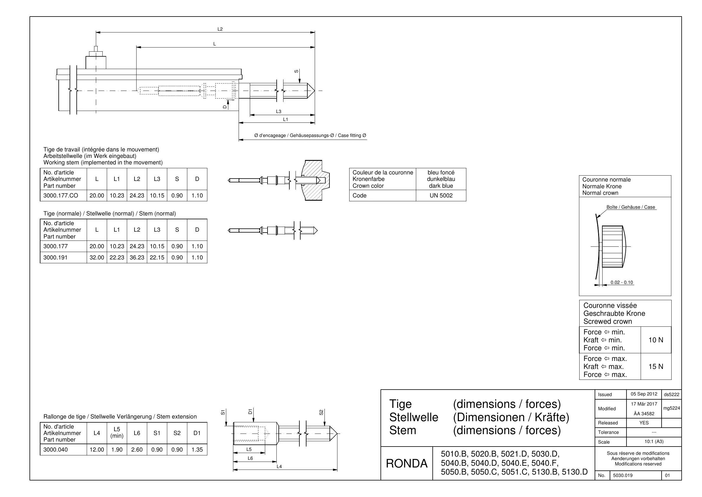
L2
L
S
L1
L3
No. d'article
Artikelnummer
Part number
L L1
3000.177.CO
L2 L3 S D
Couleur de la couronne
Kronenfarbe
Crown color
20.00 10.23 24.23 10.15 1.100.90
bleu foncé
UN 5002
Tige de travail (intégrée dans le mouvement)
Arbeitstellwelle (im Werk eingebaut)
Working stem (implemented in the movement)
Code
dunkelblau
dark blue
No. d'article
Artikelnummer
Part number
L L1
3000.177
L2
L3
S D
20.00 10.23 24.23 10.15 1.100.90
Tige (normale) / Stellwelle (normal) / Stem (normal)
No. d'article
Artikelnummer
Part number
L4
L5
(min)
3000.040
L6
S1 S2 D1
12.00 1.90 2.60 0.90 1.350.90
Rallonge de tige / Stellwelle Verlängerung / Stem extension
S
2
L4
L5
S
1
D
1
Ø d'encageage / Gehäusepassungs-Ø / Case fitting Ø
Boîte / Gehäuse / Case
0.02 - 0.10
Couronne normale
Normale Krone
Normal crown
D
L6
Force
min.
Kraft
min.
Force
min.
10 N
Force
max.
Kraft
max.
Force
max.
15 N
Couronne vissée
Geschraubte Krone
Screwed crown
3000.191 32.00 22.23 36.23 22.15 1.100.90

Related product manuals