EasyManua.ls Logo

Rotex HPSU - Page 18

Rotex HPSU
88 pages
Print Icon
To Next Page IconTo Next Page
To Next Page IconTo Next Page
To Previous Page IconTo Previous Page
To Previous Page IconTo Previous Page
Loading...
g"$""""

®´
²¨¨¬³¨¨´¯=;©
 
¬µ¶¬¬¬¬®·«¨®´¨¶
,£4 """

,£4£e "o""""
e :+&:
:8
f
b
a
e
d
c
±
( ±

7
7
o ¹&
f &..
g $""""
 &     : : 
:&6
1 "
1£e "¦" "
(6.4 CuT)
(15.9 CuT)
7.9CuT
7.9CuT
7.9CuT
7.9CuT
7.9CuT
7.9CuT
7.9CuT
7.9CuT
12.7CuT
12.7CuT
7.9CuT
6.4CuT
12.7CuT
12.7CuT
12.7CuT
12.7CuT
6.4CuT
7.9CuT
7.9CuT
4.0CuT
4.0CuT
4.0CuT
4.0CuT
7.9CuT
7.9CuT
7.9CuT
6.4CuT 6.4CuT
M
P
P >
6.4CuT
3TW60815-1
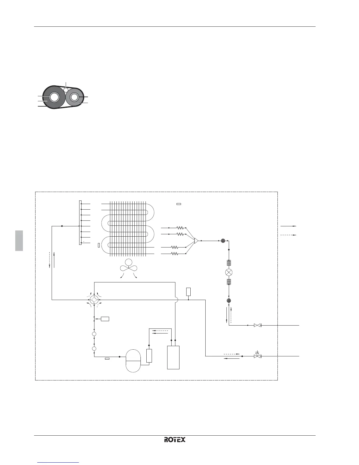
OUTDOOR UNIT
OUTDOOR AIR TEMPERATURE
THERMISTOR
HEAT EXCHANGER
HEAT
EXCHANGER
THERMISTOR
CAPILLARY TUBE 1
CAPILLARY TUBE 2
CAPILLARY TUBE 3
CAPILLARY TUBE 4
REFRIGERANT FLOW
COOLING
HEATING
FIELD PIPING
FIELD PIPING
LIQUID
STOP VALVE
GAS STOP VALVE
WITH SERVICE PORT
FILTER
FILTER
MOTOR OPERATED
VALVE
MUFFLER
WITH
FILTER
PROPELLER FAN
PRESSURE
SENSOR
MUFFLER
WITH
FILTER
HIGH
PRESSURE
SWITCH
MUFFLER
MUFFLER
DISCHARGE PIPE
THERMISTOR
COMPRESSOR
ACCUMULATOR

Other manuals for Rotex HPSU

Related product manuals