EasyManua.ls Logo

Rotex HPSU - Page 35

Rotex HPSU
88 pages
Print Icon
To Next Page IconTo Next Page
To Next Page IconTo Next Page
To Previous Page IconTo Previous Page
To Previous Page IconTo Previous Page
Loading...
1""l
!"
©ª
²¨¨¬³¨¨´¯=;©
%
¬µ¶¬¬¬¬®·«¨®´¨¶
1 "l
1£e $""¦"
©
(6,4 CuT)
(15,9 CuT)
7,9 CuT
7,9 CuT
7,9 CuT
7,9 CuT
7,9 CuT
7,9 CuT
7,9 CuT
7,9 CuT
12,7 CuT
12,7 CuT
7,9 CuT
6,4 CuT
12,7 CuT
12,7 CuT
12,7 CuT
12,7 CuT
6,4 CuT
7,9 CuT
7,9 CuT
4,0 CuT
4,0 CuT
4,0 CuT
4,0 CuT
7,9 CuT
7,9 CuT
7,9 CuT
6,4 CuT 6,4 CuT
M
P
P >
6,4 CuT
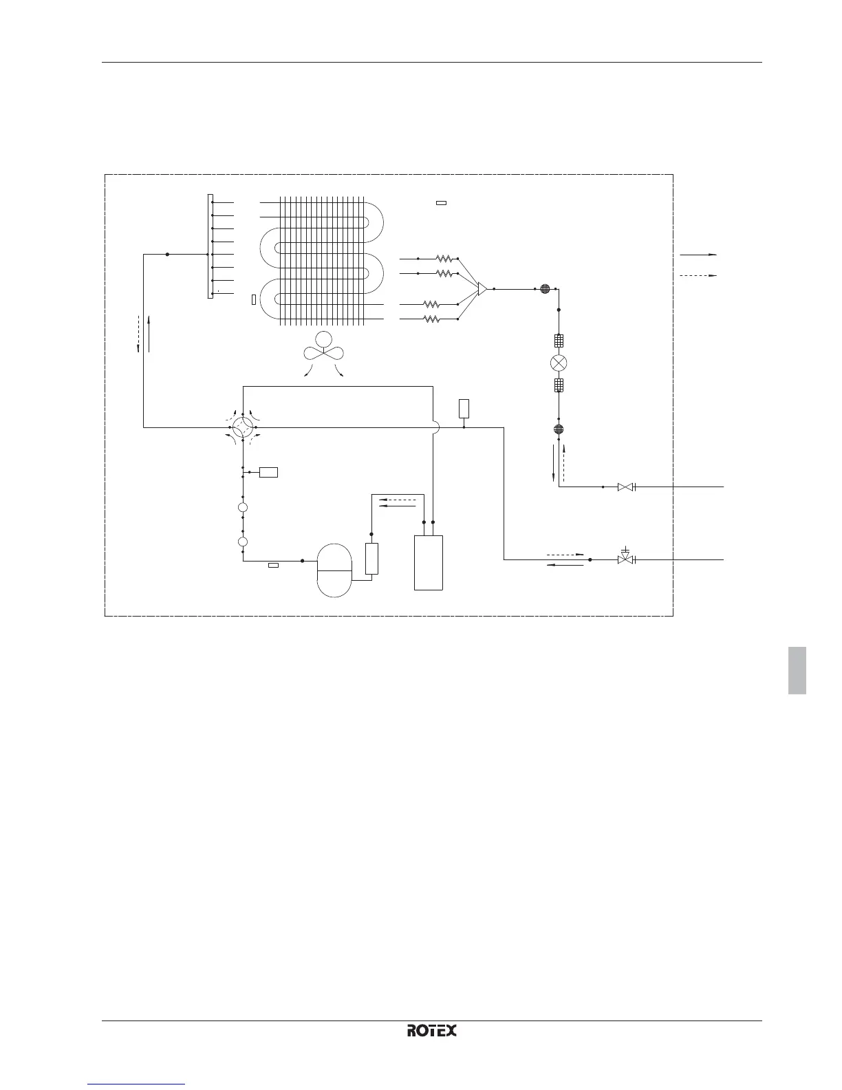
3TW60815-1
UNIT
É
EXT
É
RIEURE
THERMISTANCE DE TEMPÉRATURE
D'AIR EXTÉRIEUR
ÉCHANGEUR DE CHALEUR
THERMISTANCE
DE L'ÉCHANGEUR
DE CHALEUR
TUBE CAPILLAIRE 1
TUBE CAPILLAIRE 2
TUBE CAPILLAIRE 3
TUBE CAPILLAIRE 4
DÉBIT DE RÉFRIGÉRANT
RAFRAÎCHISSEMENT
CHAUFFAGE
TUYAUTERIE
PROCURÉE SUR PLACE
TUYAUTERIE
PROCURÉE SUR PLACE
VANNE D'ARRÊT
DU LIQUIDE
VANNE D'ARRÊT
DU GAZ AVEC
ORIFICE D'ENTRETIEN
FILTRE
FILTRE
VANNE
MOTORISÉE
SILENCIEUX
AVEC
FILTRE
VENTILATEUR DE L'HÉLICE
CAPTEUR
DE PRESSION
SILENCIEUX
AVEC
FILTRE
COMMUTATEUR
HAUTE
PRESSION
SILENCIEUX
SILENCIEUX
THERMISTANCE
DU TUYAU D'ÉVACUATION
COMPRESSEUR
ACCUMULATEUR
1£f $""¯(¦"
©
#.&%Ò:."%:%7%%.%
%%
¯®®¨³¯®®« ¯
®$«$¬¨® 
¯Ì®$¯Ì« ¯
¯Ì®$¯Ì« ¯
¯®$¯«$ ¯
¯!®$¯!« ¯
®$« ¯
®$« ¯
® ¯&::%%
¹®³¹ª ¹
®$«$¬¨« ¯
®$«$¬¨« ¯
!® !"

®³¬ ;6+
=$ ;6%
!®¯ !
!®¹ !.
!©¨$!©¨§$
!©¨¶$!¬
%7
!!®¨$!!«¨ %7
!©¨Ì=$!©¨Ì ¯

¯® ¯%
¯« ¯%.
¯© ¯%.
²® (:?

²® &
® &%&
« &%&&
© &
® ¯

Other manuals for Rotex HPSU

Related product manuals