EasyManua.ls Logo

Rotex HPSU - Page 43

Rotex HPSU
88 pages
Print Icon
To Next Page IconTo Next Page
To Next Page IconTo Next Page
To Previous Page IconTo Previous Page
To Previous Page IconTo Previous Page
Loading...
g""("
&
©
²¨¨¬³¨¨´¯=;©

¬µ¶¬¬¬¬®·«¨®´¨¶
,£4 """"(

,£4£e """"("
e   .  .  ,  
.,8
f
b
a
e
d
c
±
( 
.,
;:
.:
o =:,,:
f &.,
g "("
¸&..:
.:(:.&6
1 "
1£e $"""¦
'
(6,4 CuT)
(15,9 CuT)
7,9CuT
7,9CuT
7,9CuT
7,9CuT
7,9CuT
7,9CuT
7,9CuT
7,9CuT
12,7CuT
12,7CuT
7,9CuT
6,4CuT
12,7CuT
12,7CuT
12,7CuT
12,7CuT
6,4CuT
7,9CuT
7,9CuT
4,0CuT
4,0CuT
4,0CuT
4,0CuT
7,9CuT
7,9CuT
7,9CuT
6,4CuT 6,4CuT
M
P
P >
6,4CuT
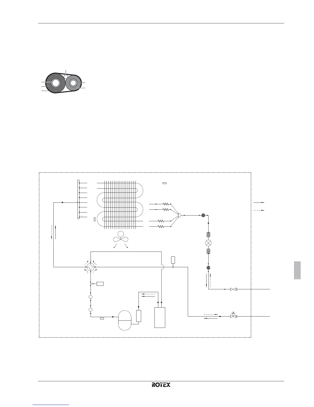
3TW60815-1
BUITENUNIT
BUITENLUCHTTEMPERATUUR-
THERMISTOR
WARMTEWISSELAAR
WARMTE-
WISSELAAR-
THERMISTOR
CAPILLAIRE BUIS 1
CAPILLAIRE BUIS 2
CAPILLAIRE BUIS 3
CAPILLAIRE BUIS 4
KOELMIDDELSTROMING
KOELING
VERWARMING
LOKALE LEIDING
LOKALE LEIDING
VLOEISTOFAFSLUITER
GASAFSLUITER
MET SERVICEPOORT
FILTER
FILTER
GEMOTORISEERDE
KRAAN
GELUIDDEMPER
MET FILTER
SCHROEFVENTILATOR
DRUKSENSOR
GELUIDDEMPER
MET FILTER
HOGEDRUK-
SCHAKELAAR
GELUIDDEMPER
GELUIDDEMPER
AFVOERLEIDING-
THERMISTOR
COMPRESSOR
ACCUMULATOR

Other manuals for Rotex HPSU

Related product manuals