EasyManua.ls Logo

Rotex HPSU - Page 59

Rotex HPSU
88 pages
Print Icon
To Next Page IconTo Next Page
To Next Page IconTo Next Page
To Previous Page IconTo Previous Page
To Previous Page IconTo Previous Page
Loading...
1""
!)*
ª¼
²¨¨¬³¨¨´¯=;©
+
¬µ¶¬¬¬¬®·«¨®´¨¶
1 "
1£e ""(¦"%
"©
(6,4 CuT)
(15,9 CuT)
7,9 CuT
7,9 CuT
7,9 CuT
7,9 CuT
7,9 CuT
7,9 CuT
7,9 CuT
7,9 CuT
12,7 CuT
12,7 CuT
7,9 CuT
6,4 CuT
12,7 CuT
12,7 CuT
12,7 CuT
12,7 CuT
6,4 CuT
7,9 CuT
7,9 CuT
4,0 CuT
4,0 CuT
4,0 CuT
4,0 CuT
7,9 CuT
7,9 CuT
7,9 CuT
6,4 CuT 6,4 CuT
M
P
P >
6,4 CuT
3TW60815-1
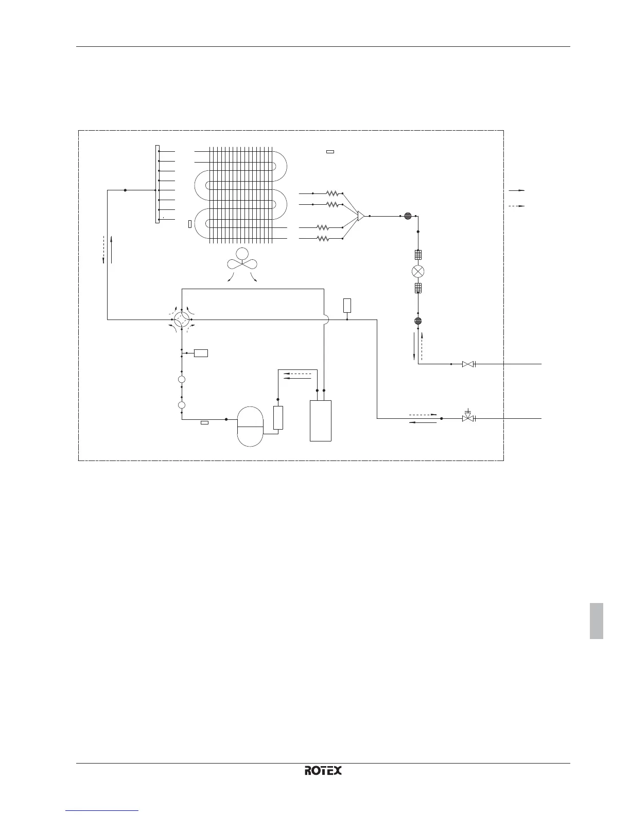
FUNCIONAMENTO SILENCIOSO DA
TERMÍSTOR DA TEMPERATURA
DO AR EXTERIOR
PERMUTADOR DE CALOR
TERMÍSTOR DO
PERMUTADOR
DE CALOR
TUBO CAPILAR 1
TUBO CAPILAR 2
TUBO CAPILAR 3
TUBO CAPILAR 4
FLUXO DE REFRIGERANTE
REFRIGERAÇÃO
AQUECIMENTO
TUBAGEM LOCAL
TUBAGEM LOCAL
VÁLVULA DE
PARAGEM DO LÍQUIDO
VÁLVULA DE PARAGEM
DO GÁS COM ORIFÍCIO
DE SERVIÇO
FILTRO
FILTRO
VÁLVULA
COM MOTOR
SILENCIADOR
COM
FILTRO
HÉLICE DO VENTILADOR
SENSOR
DE PRESSÃO
SILENCIADOR
COM
FILTRO
PRESSOSTÁTO
DE ALTA
PRESSÃO
SILENCIADOR
SILENCIADOR
TERMÍSTOR DO
TUBO DE DESCARGA
COMPRESSOR
ACUMULADOR
1£f l"¦"%"
©
¯7%:=.*7
¯®®¨³¯®®« ¯
®$«$¬¨® :
¯Ì®$¯Ì« ¯
¯Ì®$¯Ì« ¯
¯®$¯«$ ¯
¯!®$¯!« ¯
®$« ¯
®$« ¯
® =7
¹®³¹ª ¹3.
®$«$¬¨« ¯
®$«$¬¨« ¯
!® !')*
=.
®³¬ Ò
=$ Ò
!®¯ !
!®¹ !.
!©¨$!©¨§$
!©¨¶$!¬
%%
!!®¨$!!«¨ %%
!©¨Ì=$!©¨Ì ¯

¯® 
¯« .
¯© Ô
²® (:
²® )*
® 3
« 3
© 3
® *
® '*
«³ª¨© ¯

Other manuals for Rotex HPSU

Related product manuals