EasyManua.ls Logo

Rotex HPSU - Page 83

Rotex HPSU
88 pages
Print Icon
To Next Page IconTo Next Page
To Next Page IconTo Next Page
To Previous Page IconTo Previous Page
To Previous Page IconTo Previous Page
Loading...
g"$""
234.
´©
²¨¨¬³¨¨´¯=;©
3#,3 
¬µ¶¬¬¬¬®·«¨®´¨¶
,£4 ""

,£4£e """
e ¸#(  .u 3 &.  (.3 ,
4(33#8
f
b
a
e
d
c
6.%3
( #6.%&3
(.3,
º.%3
#,.%&3
o &44,
f æ.3,6
g $""
º:.36%.#.#234.
.w3(,
1 "
1£e $"("¦
/"
(6,4 CuT)
(15,9 CuT)
7,9 CuT
7,9 CuT
7,9 CuT
7,9 CuT
7,9 CuT
7,9 CuT
7,9 CuT
7,9 CuT
12,7 CuT
12,7 CuT
7,9 CuT
6,4 CuT
12,7 CuT
12,7 CuT
12,7 CuT
12,7 CuT
6,4 CuT
7,9 CuT
7,9 CuT
4,0 CuT
4,0 CuT
4,0 CuT
4,0 CuT
7,9 CuT
7,9 CuT
7,9 CuT
6,4 CuT 6,4 CuT
M
P
P >
6,4 CuT
3TW60815-1
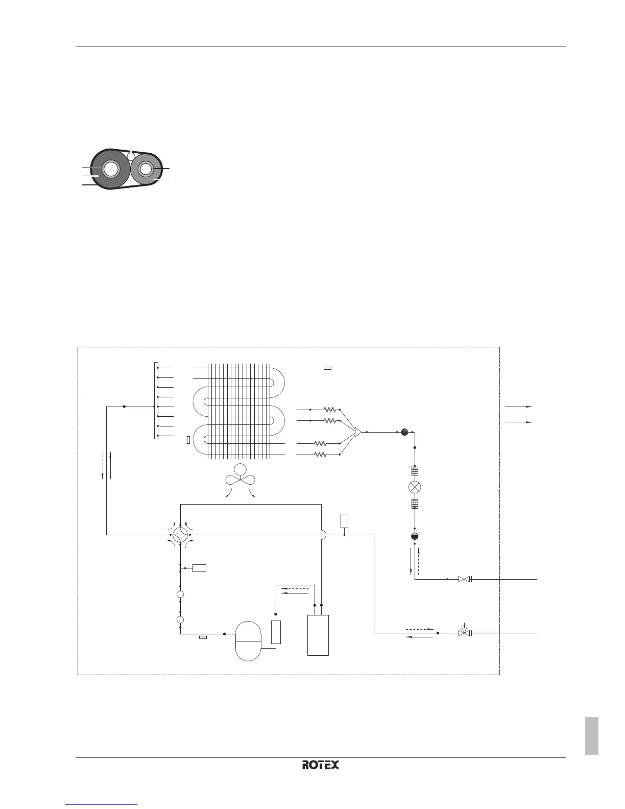
VENKOVN
Í
JEDNOTKA
TERMISTOR VENKOVNÍ
TEPLOTY VZDUCHU
7(3(/1é9é0ċ1Ë.
TERMISTOR
TEPELNÉHO
9é0ċ1Ë.8
KAPILÁRNÍ TRUBICE 1
KAPILÁRNÍ TRUBICE 2
KAPILÁRNÍ TRUBICE 3
KAPILÁRNÍ TRUBICE 4
35ģ72.&+/$',9$
CHLAZENÍ
TOPENÍ
MÍSTNÍ POTRUBÍ
MÍSTNÍ POTRUBÍ
KAPALINOVÝ
UZAVÍRACÍ VENTIL
PLYNOVÝ UZAVÍRACÍ VENTIL
6(6(59,61Ë3ěË32-.28
FILTR
FILTR
MOTOREM
OVLÁDANÝ VENTIL
7/80,ý
S FILTREM
VENTILÁTOR
TLAKOVÝ
61Ë0$ý
7/80,ý
S FILTREM
VYSOKOTLAKÝ
63Ë1$ý
7/80,ý
7/80,ý
TERMISTOR
NA VÝSTUPNÍM
POTRUBÍ
KOMPRESOR
$.808/$ý1Ë1È'5ä

Other manuals for Rotex HPSU

Related product manuals