EasyManua.ls Logo

Ryobi 320BVr - Parts List

Ryobi 320BVr
72 pages
Print Icon
To Next Page IconTo Next Page
To Next Page IconTo Next Page
To Previous Page IconTo Previous Page
To Previous Page IconTo Previous Page
Loading...
E24
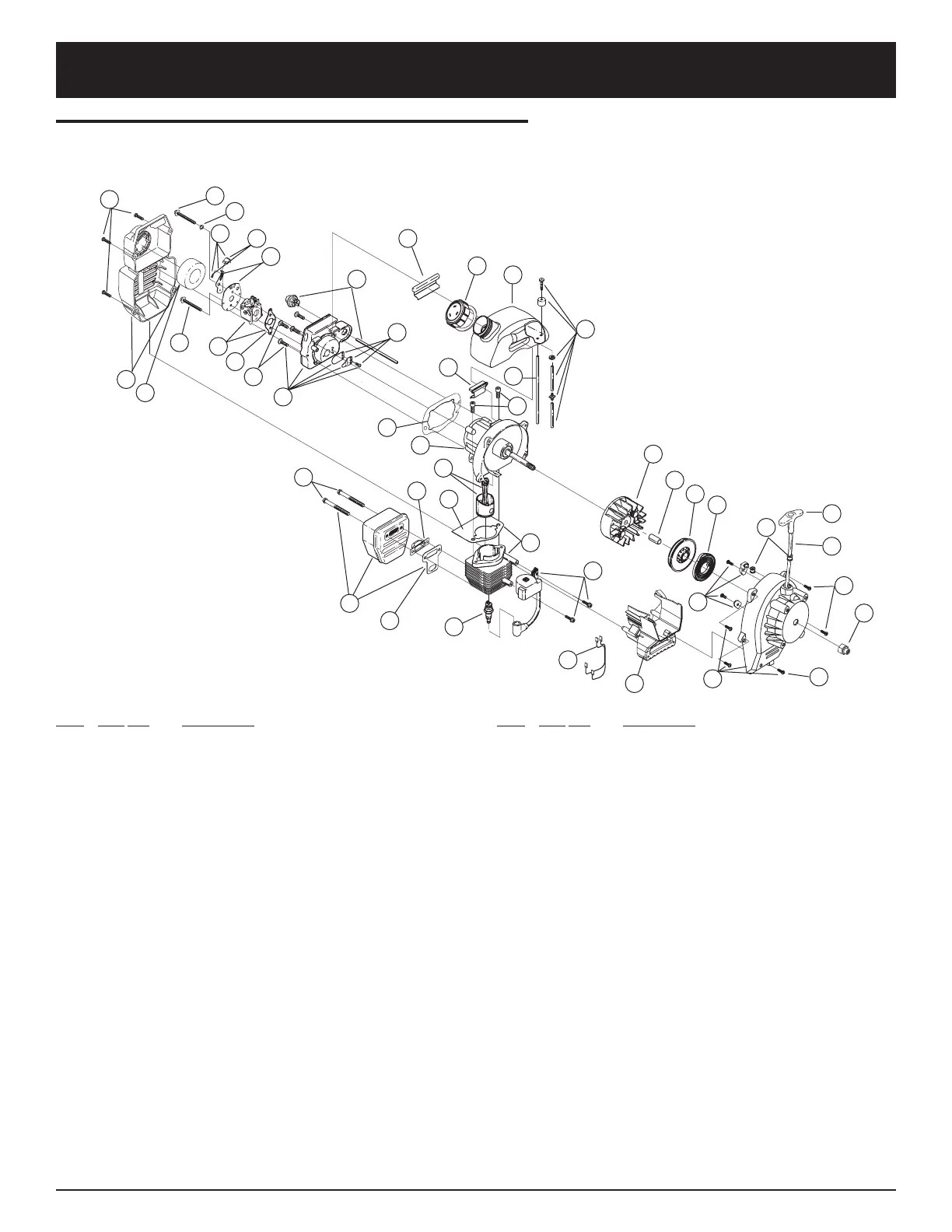
PARTS LIST
HOUSING PARTS - MODEL 320BVr
2-CYCLE GAS MULCHING BLOWER VACUUM
32
1
2
3
8
10
12
3
4
5
7
6
11
13
14
15
42
43
19
44
21
16
18
17
20
23
24
25
26
27
29
30
31
45
32
33
22
34
35
41
36
37
39
40
28
9
Item Part No. Description
1 791-182059 Air Cleaner/Muffler Cover Assembly
(includes 2 & 32)
2 791-180350B Air Cleaner Filter
3 791-180351 Carburetor Mounting Screw
4 791-180226 Wavey Washer
5 753-04418 Choke Lever Assembly (includes 6)
6 791-182070 Choke Knob and Screw
7 753-04419 Choke Lever and Plate (includes 5)
8 753-04144 Carburetor Assembly (includes 9 & 20)
9 791-610675 Carburetor Gasket
10 791-181860 Carb Mount Screw
11 791-683974B Primer and Hose Assembly
12 753-1196 Carb Mount Assembly (includes 10,13 & 14)
13 791-684451 Reed Assembly
14 753-1208 Carburetor Mount Gasket
15 753-04328 Crank Case Service Assembly
(includes 10)
16 791-612134 Rear Mounting Pad
17 753-04310 Fuel Tank Assembly (includes 18-20)
18 791-182438 Fuel Cap Assembly
19 791-181168 Fuel Return Line
20 791-682039 Fuel Line Assembly
21 791-145308 Front Mounting Pad
22 753-04409 Shroud Extension (includes 32)
23 791-182736 Flywheel Assembly
24 791-181525 Spacer
25 753-04232 Recoil Pulley Assembly
26 791-613102 Recoil Spring
Item
Part No. Description
27 791-611061 Rope Guide
28 791-180930 Pulley Retainer Assembly
29 791-181079 Pull Handle
30 791-613103 Rope
31 791-181862 Housing Screw
32 791-181345 Cover Screw
33 791-181931 Starter Housing Assembly (includes 25-32)
34 791-182402 Wire Lead Assembly
35 753-04324 Module Assembly
36 791-610311B Spark Plug
37 753-04159 Exhaust Gasket
38 791-182747 Spark Arrestor Screen
39 791-182066 Muffler Assembly (includes 37, 38 & 40)
40 791-147575 Muffler Mounting Bolt Assembly
41 753-04377 Cylinder Assembly (includes 43 & 44)
42 753-04367 Piston and Rod Assembly
43 753-04378 Cylinder Gasket
44 791-182723 Cylinder Bolt
45 791-181524 Crankshaft Extension
* 753-04379 Engine Gasket Kit
* 791-180602 O.E.M. Carburetor Repair Kit
* 791-181069 Gasket Diaphragm Repair Kit
* 753-1209 Piston Ring
* 753-04380 Short Block Assembly
(includes 10, 15, 36, 41-44)
* Items Not Shown
38

Table of Contents

Related product manuals