EasyManua.ls Logo

Ryobi 890r - Page 95

Ryobi 890r
96 pages
Print Icon
To Next Page IconTo Next Page
To Next Page IconTo Next Page
To Previous Page IconTo Previous Page
To Previous Page IconTo Previous Page
Loading...
E33
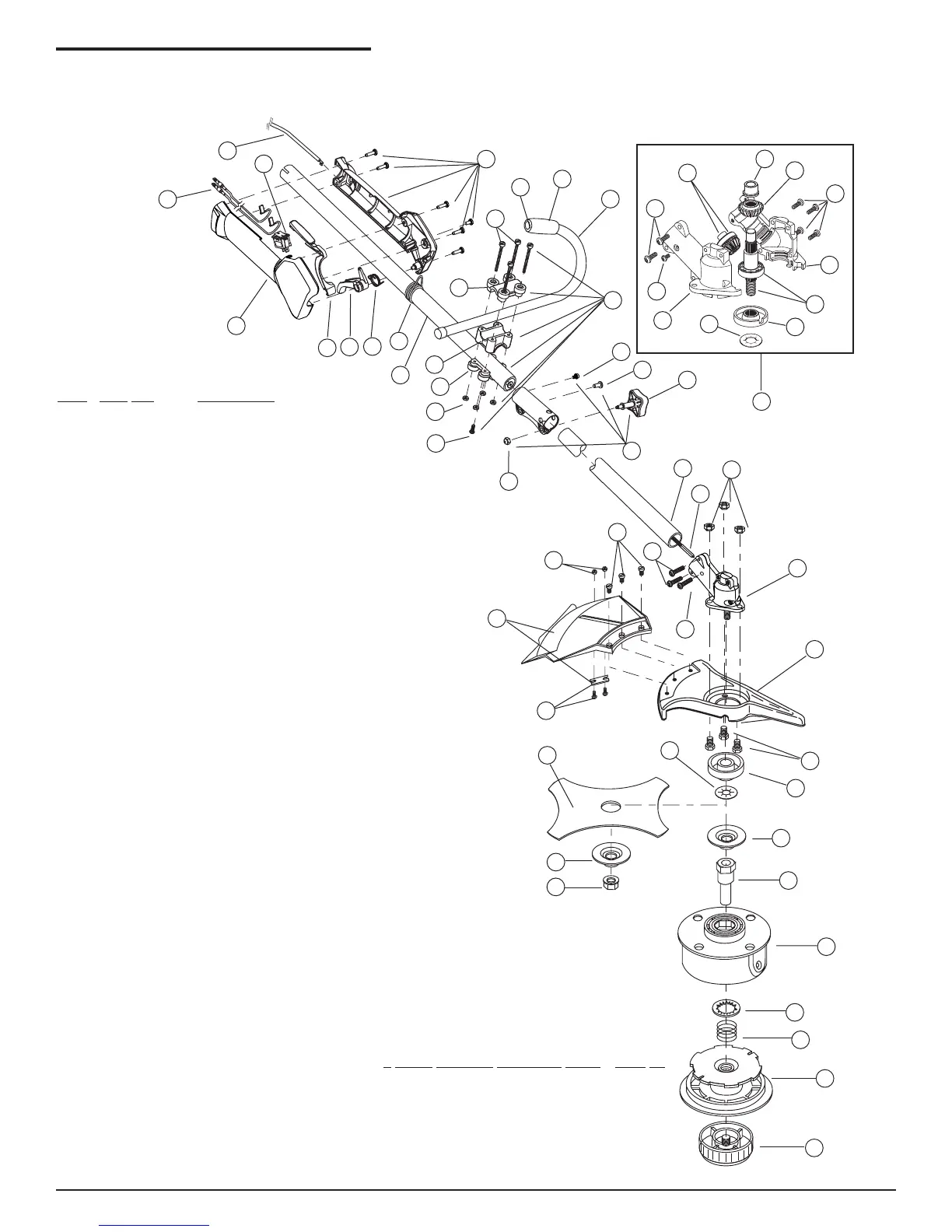
BOOM AND TRIMMER PARTS - MODEL 890R
4-CYCLE GAS TRIMMER
PPN - 41CD890A034
Item Part No. Description
1 791-182801 Throttle Housing &
Trigger Assembly (includes 2-4)
2 791-182802 Throttle Trigger Lock-Out
3 791-182803 Throttle Trigger
4 791-182690 Throttle Trigger Spring
5 753-1231 Throttle Cable Assembly
6 791-182804 Lead Wire Assembly
7 791-182805 Switch Assembly (includes 6)
8 791-610327 Harness Clip
9 753-1247 Upper Drive Shaft Housing Assembly
10 791-181099 J-Handle Assembly (includes 11 & 12)
11 791-612831 Grip
12 791-612021 Tube Closure
13 791-683295 Handle Bracket Assembly (includes 14-19)
14 791-181811 Screw
15 791-181812 Upper Handle Clamp
16 791-181813 Middle Handle Clamp
17 791-181814 Lower Handle Clamp
18 791-181815 Nut
19 791-145569 Anti-Rotation Screw
20 791-181616B Click-Link Coupler (includes 21-24)
21 791-182057 Screw
22 791-181617 Bolt
23 791-181618B Adjustment Knob
24 791-181886 Knob Retaining Nut
25 791-182541 Lower Drive Shaft Housing Assembly
26 791-613300 Lower Flexible Drive Shaft
27 791-182200 Shield Mount Screw Assembly
28 791-182193 2 piece Gearbox Assembly (includes 27, 29 & 30)
29 791-182195 Gearbox Mounting Hardware
30 791-145569 Anti-Rotation Screw
31 791-147492 Blade Shield/Shield Mount
32 791-182196 Blade Driver
33 791-683304 Shield Mounting Screw
34 791-683299 Shield and Blade Assembly (includes 35)
35 791-682061 Blade Assembly
36 791-147490 Retaining Washer
37 791-612483 Spool Shaft
38 791-683301 Outer Spool Assembly
39 791-612026 Retainer
40 791-610636B Spring
41 791-147495 Inner Reel
42 791-180814B Bump Head Knob Assembly
43 791-145873B 4-Tooth Blade
44 791-181699 Nut
45 753-04348 Palnut
* 791-180014B Blade Retaining Kit
(includes 36 & 44)
* 791-613226 Locking Rod Tool
* 791-682075 Shoulder Harness
19
25
26
27
27
32
32
29
29
30
33
31
35
28
28
34
39
37
43
38
36
35
24
41
40
36
42
44
1
1
5
7
6
15
16
17
18
14
13
12
10
9
8
11
4
3
2
49
50
46
47
30
48
51
20
21
22
23
29
2 Piece Gearbox Assembly Parts Item 28
46 791-182191 Left Housing
47 791-182192 Right Housing
48 791-182194 Pinion Gear Assembly
49 791-182199 Output Shaft Bushing
50 791-182198 Output Shaft Gear
51 791-182197 Output Shaft Assembly
(includes 49 & 50)
45
45

Table of Contents

Other manuals for Ryobi 890r

Related product manuals