EasyManua.ls Logo

Ryobi BD4601 - Introduction and Warranty; Warranty Details and Service

Ryobi BD4601
5 pages
Print Icon
To Next Page IconTo Next Page
To Next Page IconTo Next Page
To Previous Page IconTo Previous Page
To Previous Page IconTo Previous Page
Loading...
2
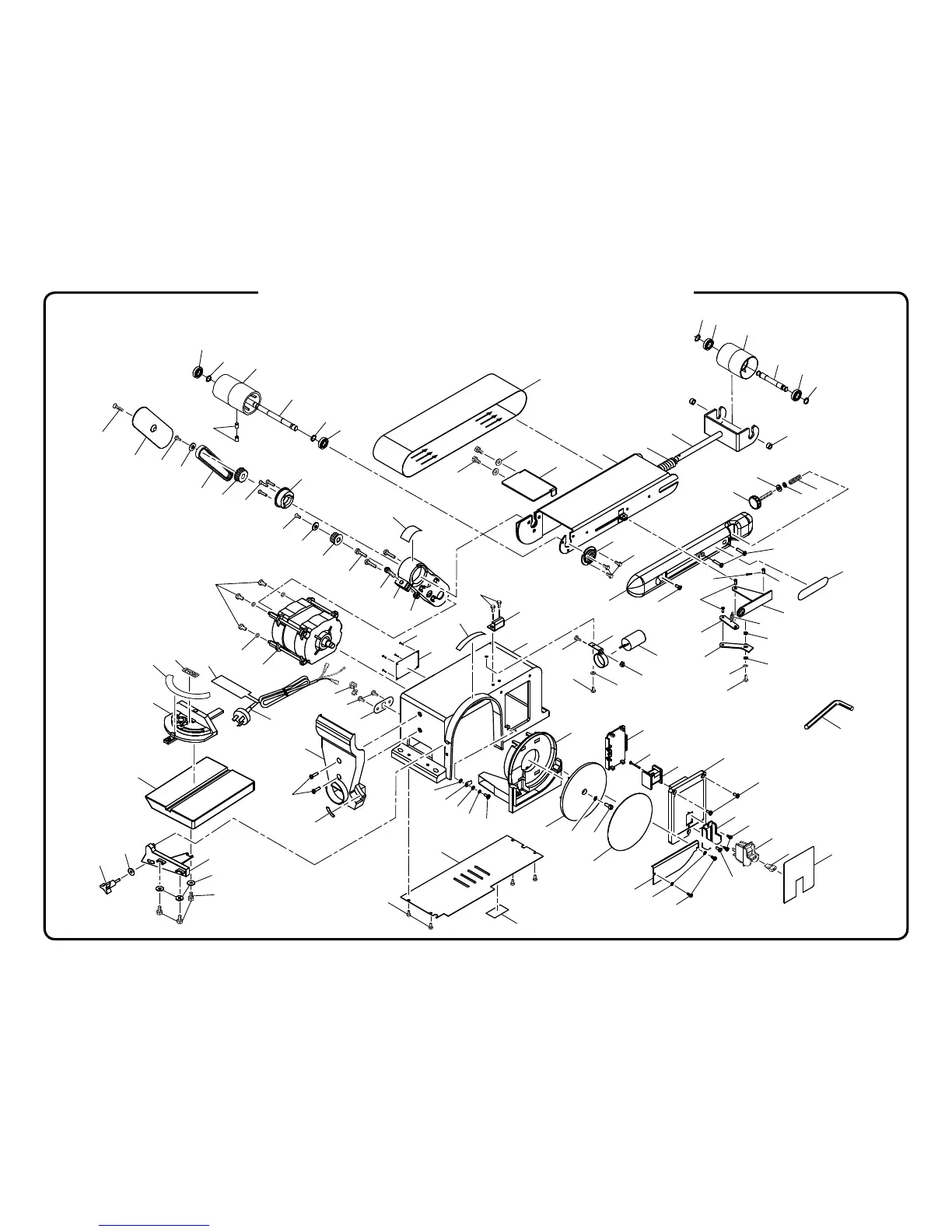
RYOBI BELT AND DISC SANDER – MODEL NUMBER BD4601
39
37
52
53
79
80
76
56
57
58
59
46
71
13
89
82
12
62
54
64
60
61
63
99
100
87
101
100
99
99
100
99
100
86
32
102
65
66
67
16
84
75
47
36
41
55
69
95
92
34
58
59
68
23
38
85
81
83
33
31
49
49
28
29
30
19
20
21
22
90
1
3
5
2
18
98
14
96
88
91
72
73
40
27
26
12
97
94
24
25
77
78
97
5
4
6
7
8
9
10
11
48
40
93
74
44
43
42
45
15
23
12
17
70
49
50
51
ON
35

Other manuals for Ryobi BD4601

Related product manuals