EasyManua.ls Logo

Ryobi P730 - Warranty Information

Ryobi P730
5 pages
Print Icon
To Next Page IconTo Next Page
To Next Page IconTo Next Page
To Previous Page IconTo Previous Page
To Previous Page IconTo Previous Page
Loading...
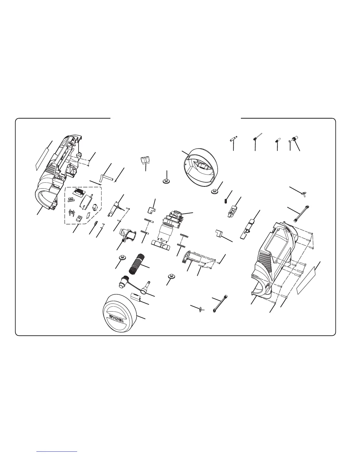
RYOBI 18 VOLT INFLATOR – MODEL NUMBER P730
2
1
3
4
4
5
6
7
9
8
8
10
10
14
14
22
24
25
15
15
16
17
18
19
19
20
13
11
12
10
10
28
SEE
FIGURE B
30
31
32
32
34
26
27
33
23
21
28
29
29
2
Figure A

Other manuals for Ryobi P730

Related product manuals