EasyManua.ls Logo

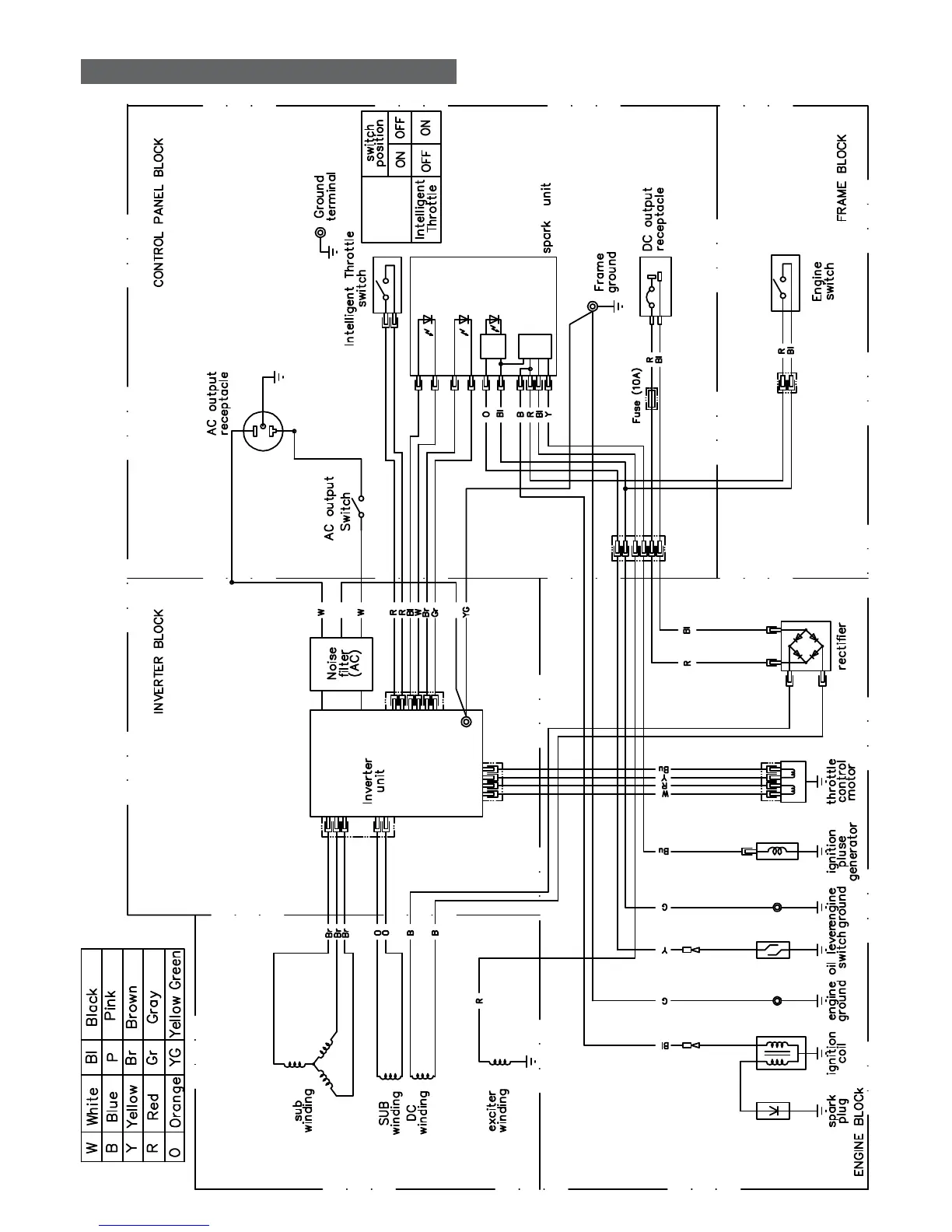
Ryobi RIG1000 - Wiring Diagram

Ryobi RIG1000
24 pages
Print Icon
To Next Page IconTo Next Page
To Next Page IconTo Next Page
To Previous Page IconTo Previous Page
To Previous Page IconTo Previous Page
Loading...
WIRING DIAGRAM

Related product manuals