EasyManua.ls Logo

S.E.P. REV. 1000 (2+2) - CUTTER BAR MOWER (CONTINUED); CUTTER BAR MOWER TECHNICAL SPECIFICATIONS; OPERATING CUTTER BAR MOWERS; CUTTER BAR MOWER ADJUSTMENT

S.E.P. REV. 1000 (2+2)
32 pages
Print Icon
To Next Page IconTo Next Page
To Next Page IconTo Next Page
To Previous Page IconTo Previous Page
To Previous Page IconTo Previous Page
Loading...
GB
26
CUTTER BAR MOWER TECHNICAL
SPECIFICATIONS
Sickle bar mowers
Drive: mechanical con-rod.
Cutting width: 95 cm, 110 cm, 127 cm.
E.S.M. mowers
Drive: mechanical con-rod.
Cutting width: 97 cm, 117 cm.
Special type bar mowers
Drive: mechanical con-rod.
Cutting width: 115 cm.
OPERATING CUTTER BAR MOWERS
The cutter bar attachment is driven via the PTO.
Operate the PTO control lever as follows:
a. Turn throttle control lever to idle position.
b. Pull up clutch lever and engage first speed with
gear lever.
c. Pull PTO control lever. Release the lever when
drive is engaged.
d. Release the clutch slowly to start mowing.
CAUTION
Release the clutch gradually; do not release it when
load is applied to the mower.
CUTTER BAR MOWER ADJUSTMENT
The cutter bar mower requires a number of adjust-
ments. The wear plate must be adjusted periodically
to ensure efficient cutting.
The shoes can be adjusted to give the required cut-
ting height. The knife mechanism can also be ad-
justed to minimize vibration and noise.
Wear plate adjustment
At regular intervals check the play between the wear
plate and the cutting knife.
Proceed as follows to reduce the gap if necessary.
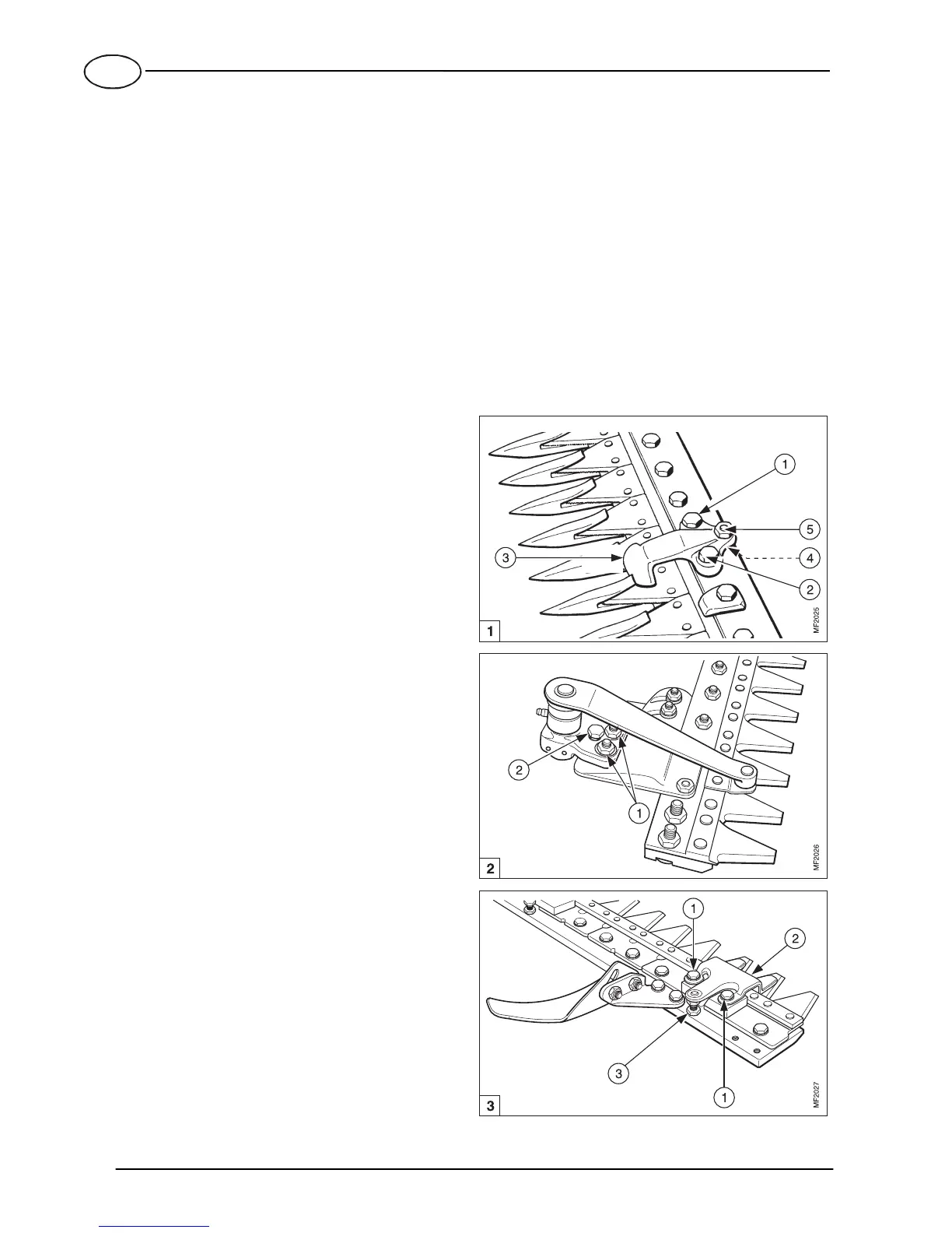
SICKLE BAR MOWERS (fig. 1)
a. Loosen the two screws (1) and (2) that secure e-
ach of the four wear plates (3).
b. Loosen lock nut (5) and turn wear plate adjuster
screw (4) to obtain correct sliding movement of
the knife.
c. Tighten again the securing nut (5) and the screws
(1) and (2).
E.S.M. MOWERS Type COMUNAL (fig. 2)
a. Loosen the two nuts (1) securing each of the four
wear plates.
b. Turn adjuster nut (2) of each wear plate to obtain
correct knife movement.
c. Tighten again the two securing nuts (1).
MOWING BAR E.S.M. type S
NOTE
The mowing bar type E.S.M. type S does not require
any special adjustment as it is self-adjusting.
SPECIAL TYPE BAR MOWERS (fig. 3)
a. Loosen the two nuts (1) securing each of the four
wear plates (2).
b. Turn adjuster nut (3) of each wear plate to obtain
correct knife movement.
c. Tighten again the two securing nuts (1).

Table of Contents

Related product manuals