EasyManua.ls Logo

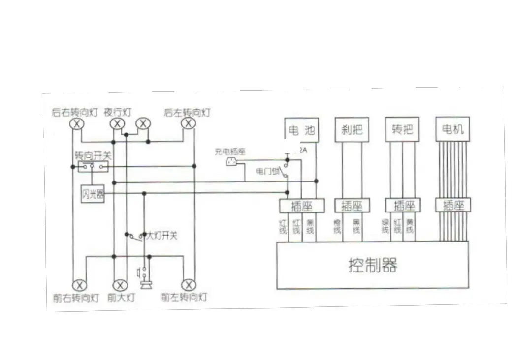
SAIGE E5-C - Electric Tricycle Wire Drawing

Default Icon
22 pages
Print Icon
To Next Page IconTo Next Page
To Next Page IconTo Next Page
To Previous Page IconTo Previous Page
To Previous Page IconTo Previous Page
Loading...
24
Electric Motor Tricycle Wire Drawing
No Inform is Any Update