EasyManua.ls Logo

Saivod SAPH98 - Placement Guidelines

Saivod SAPH98
Print Icon
To Next Page IconTo Next Page
To Next Page IconTo Next Page
To Previous Page IconTo Previous Page
To Previous Page IconTo Previous Page
Loading...
GB
33
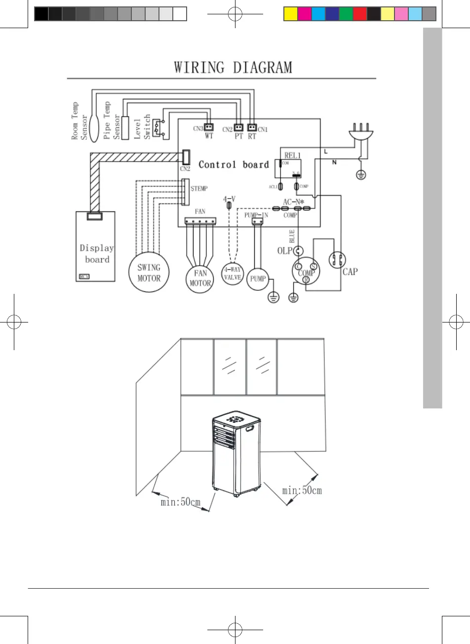
Placement and Installation
(fig.1)
Placement
Place the machine on flat and dry ground, and keep it far from around things at least 50cm.
(fig.1)
JHS.indd 33 2018/1/24 17:10:13

Related product manuals