EasyManua.ls Logo

Saivod TMS808M - Operating Instructions; Water Entering; Putting Through Power; Hot Water Operations

Saivod TMS808M
Print Icon
To Next Page IconTo Next Page
To Next Page IconTo Next Page
To Previous Page IconTo Previous Page
To Previous Page IconTo Previous Page
Loading...
34
Diagram 7
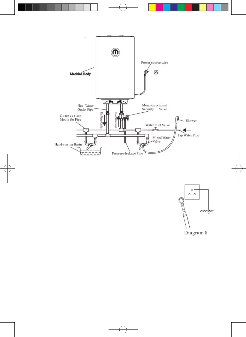
OPERATING INSTRUCTIONS
 -
ter-blending valve rotate to the high temperature sector according to the
clockwise direction. And reopen the cold water pipe’s water pipe’s water en-
tering valve. At this time, the electric water heater’s tank will start to enter
the water. Waiting that the shower sector of the water exiting mouth is in

Cautions: During the electric water heater is in the normal operating procedures,
the water-entering valve of the cold water pipe’s mouth-entering sector must be
in the open condition from the beginning to the end .At this time, the water-en-
tering valve can still make the functions of regulating the water-existing mouth

valve can only regulate the water temperatures and make the function of closing the water existing.
 
power source’s plug insert into the outlet and put through the power sources.
 Hot water operations: After the electric water heater normally works and heats for a long period
of time, you can use the hot water in the tank, you need to make the cold and hot mixed valve
rotate with the clockwise direction slowly from the low temperature to the high temperatures in
the closed condition. And adjust it to your proper temperature. At that time, the shower mouth

anti-clockwise direction and shut off the mixed water valve.
 Cautions: When adjusting the water temperature of the water-existing mouth, you don’t make the
water heater.indd 342018/12/12 11:28:11

Related product manuals