EasyManua.ls Logo

salmson SXS - Page 5

salmson SXS
Print Icon
To Next Page IconTo Next Page
To Next Page IconTo Next Page
To Previous Page IconTo Previous Page
To Previous Page IconTo Previous Page
Loading...
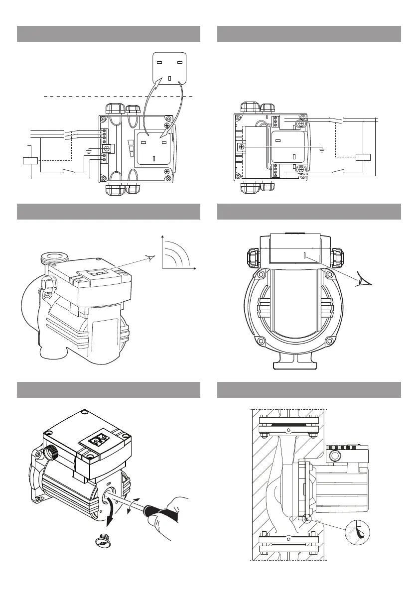
Fig. 4c: Fig. 4d:
Fig. 5: Fig. 6:
Fig. 7: Fig. 8:
L1 L2 L3 10 15
230V
400V
3~230V
3~400V
A1
L1
L2
L3
N
A2
A1
L
N
A2
LN
C1
C2
C3
10
15
1-230V
1~230V
1
2
3
H
[m]
Q[m
3
/
h]

Related product manuals