EasyManua.ls Logo

Samson XM410 - Page 19

Samson XM410
19 pages
Print Icon
To Previous Page IconTo Previous Page
To Previous Page IconTo Previous Page
Loading...
87
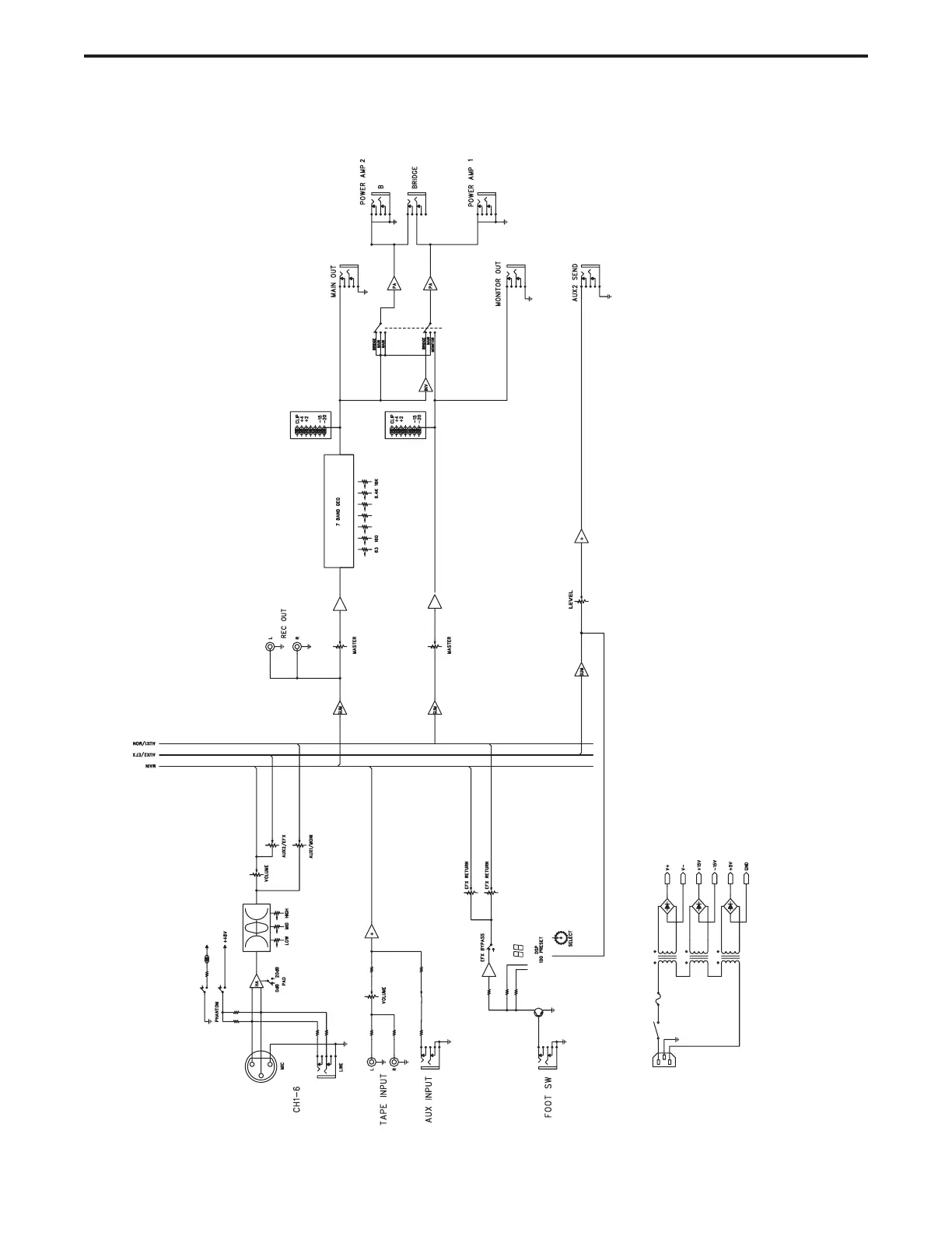
Block Diagram/Synoptique/Blockdiagramm/Diagrama de bloques /Diagramma a Blocchi

Related product manuals