EasyManua.ls Logo

Samsung 932BF - Page 65

Samsung 932BF
74 pages
Print Icon
To Next Page IconTo Next Page
To Next Page IconTo Next Page
To Previous Page IconTo Previous Page
To Previous Page IconTo Previous Page
Loading...
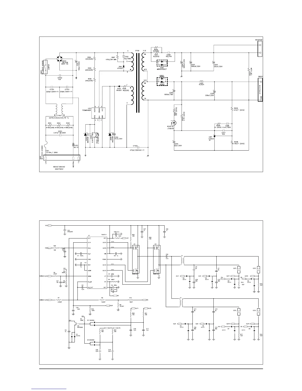
13 Circuit Descriptions
13-3
13-1-3 IP BOARD BLOCK(POWER) Parts
13-1-4 IP BOARD BLOCK( INVERTER ) Parts

Related product manuals