EasyManua.ls Logo

Samsung AC024MNHDCH/AA - Outdoor unit

Samsung AC024MNHDCH/AA
70 pages
Print Icon
To Next Page IconTo Next Page
To Next Page IconTo Next Page
To Previous Page IconTo Previous Page
To Previous Page IconTo Previous Page
Loading...
6-2 Samsung Electronics
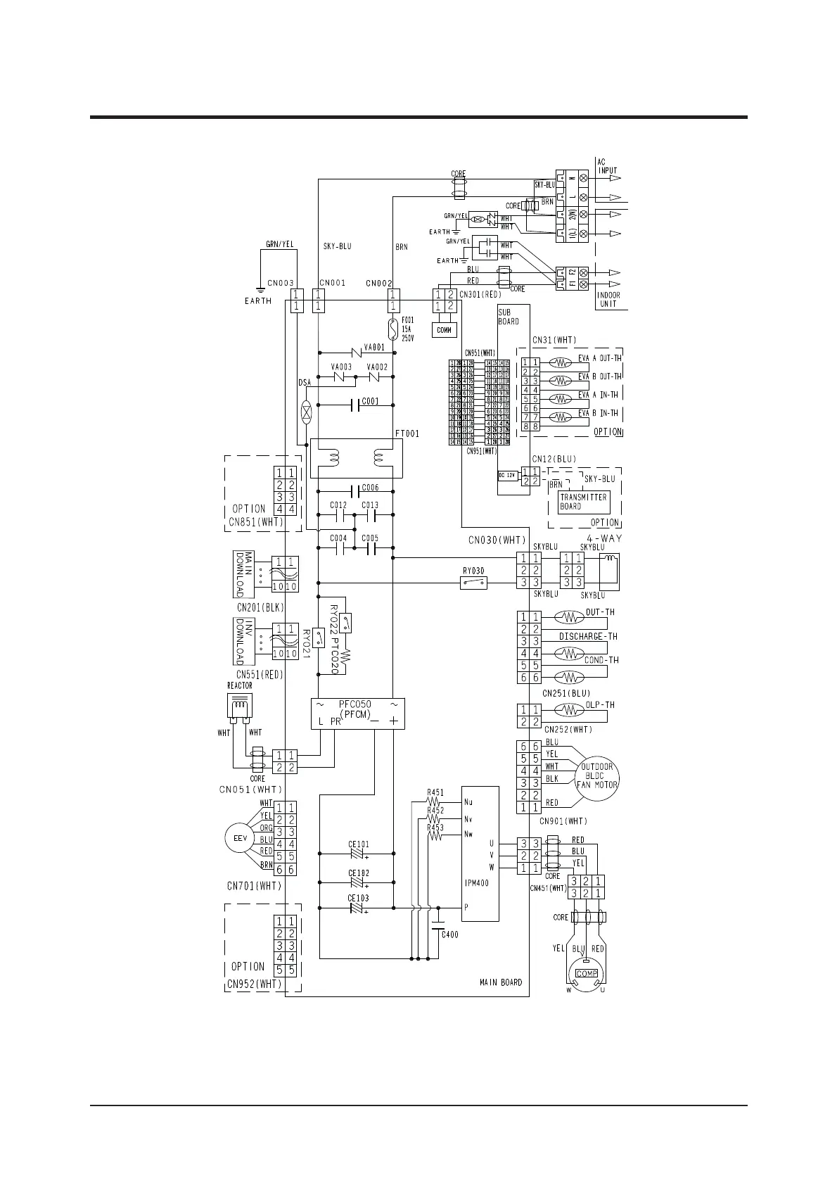
6-2 Outdoor unit
This Document can not be used without Samsungs authorization.
Q AC018JXADCH

Other manuals for Samsung AC024MNHDCH/AA

Related product manuals