EasyManua.ls Logo

Samsung AD26B1C13 - Page 34

Samsung AD26B1C13
37 pages
Print Icon
To Next Page IconTo Next Page
To Next Page IconTo Next Page
To Previous Page IconTo Previous Page
To Previous Page IconTo Previous Page
Loading...
33
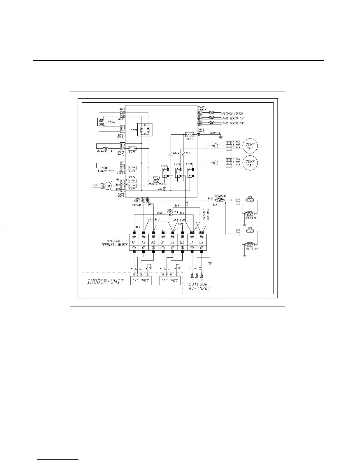
6-2 Outdoor Unit
DB98-05645A(1)-2 5/30/02 7:06 PM Page 33

Related product manuals