EasyManua.ls Logo

Samsung AM053FXMDCH - Am060 Mxmdch

Samsung AM053FXMDCH
101 pages
To Next Page IconTo Next Page
To Next Page IconTo Next Page
To Previous Page IconTo Previous Page
To Previous Page IconTo Previous Page
Loading...
86 Samsung Electronics
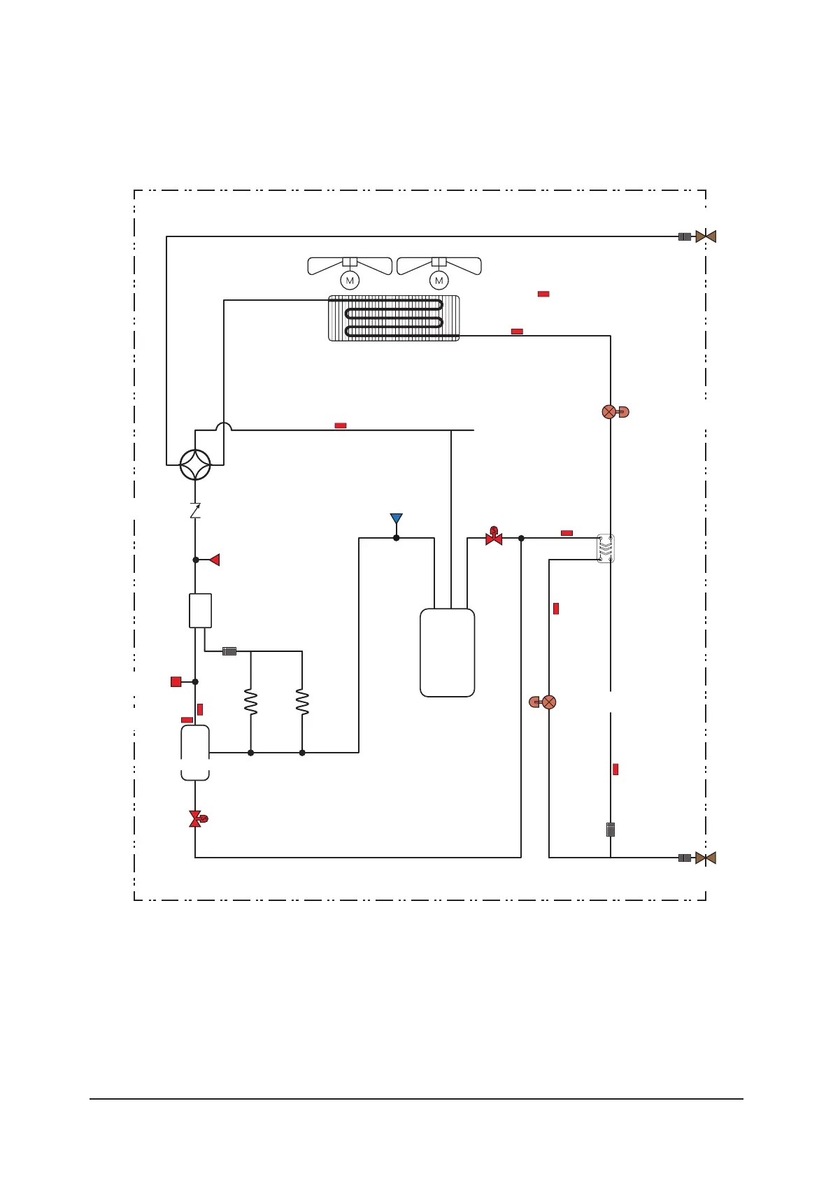
Reference Sheet
Oil
Separator
(OS)
Accumulator
(AC)
Service Valve -
Gas pipe (BV_G)
Thermistor -
Ambient (T_A)
Outdoor Fan Motor 1 (OFM1) Outdoor Fan Motor 2 (OFM2)
Thermistor -
Cond Out (T_CO)
Heat Exchanger - Main (HX_M)
Thermistor -
Suction pipe (T_S)
Solenoid Valve -
EVI Bypass
(V_EVI)
Thermistor -
EVI Out (T_EO)
Heat Exchanger -
Intercooler (HX_IC)
Thermistor -
Liquid pipe (T_L)
Ball Valve -
Liquid pipe (SV_L)
Thermistor -
Discharge
pipe (T_D)
Solenoid Valve -
EVI (V_EVI)
Compressor (COMP)
Thermistor -
Compressor Top (T_CT)
Pressure Switch -
High (PW_H)
Check Valve -
Discharge (CV_D)
Pressure Sensor -
High (PS_H)
Solenoid Valve -
4Way (V_4W)
Pressure Sensor -
Low (PS_L)
Electronic Expansion
Valve - Main (E_M)
Electronic Expansion
Valve - EVI (E_EVI)
Thermistor -
Evi (T_EI)
1-2. AM060MXMDCH

Table of Contents

Other manuals for Samsung AM053FXMDCH

Related product manuals