EasyManua.ls Logo

Samsung AW128AA - 9. Wiring Diagram

Samsung AW128AA
49 pages
Print Icon
To Next Page IconTo Next Page
To Next Page IconTo Next Page
To Previous Page IconTo Previous Page
To Previous Page IconTo Previous Page
Loading...
Samsung Electronics 9-1
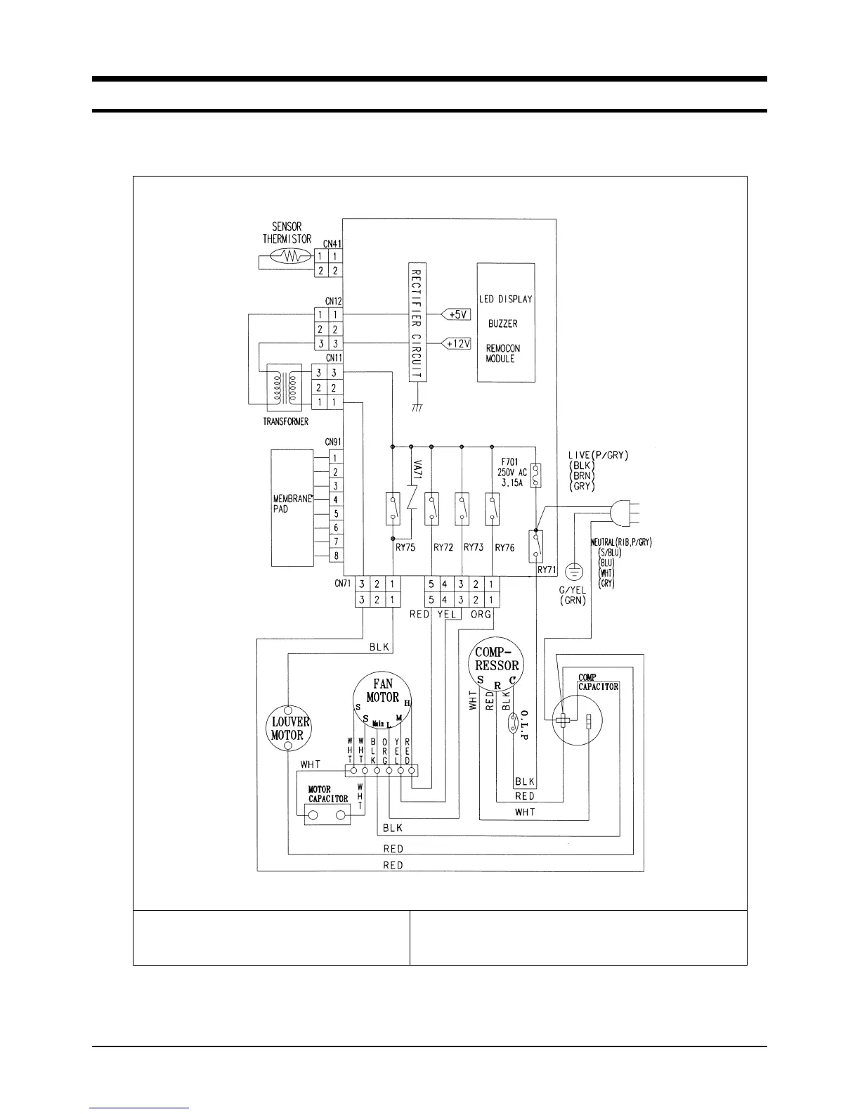
DIAGRAM - ELECTRIC
DB68-02015A
9. Wiring Diagram
CN73
DB98-04511A(1)-2 3/20/02 2:26 PM Page 9-1

Related product manuals