EasyManua.ls Logo

Samsung AZ09FATEA - Page 54

Samsung AZ09FATEA
56 pages
Print Icon
To Next Page IconTo Next Page
To Next Page IconTo Next Page
To Previous Page IconTo Previous Page
To Previous Page IconTo Previous Page
Loading...
10-3 Samsung Electronics
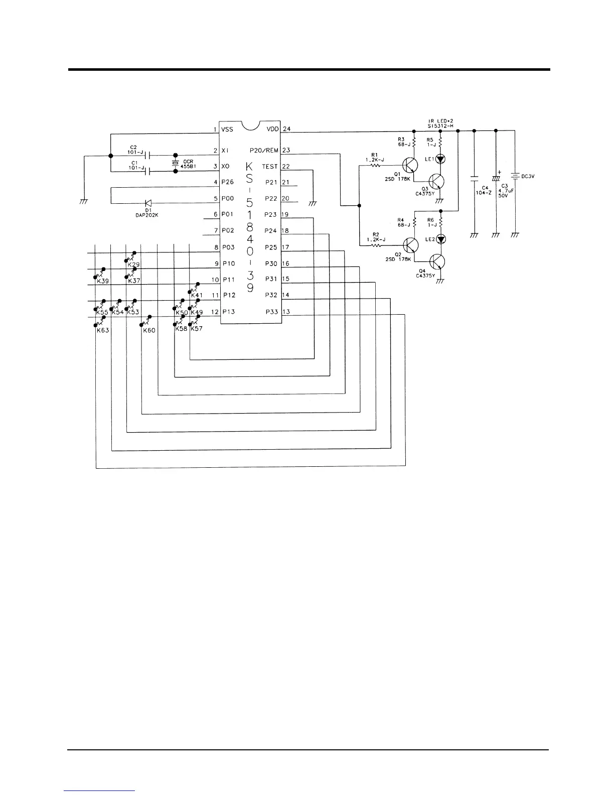
10-3 Remote Control
(KEY NAME)
K29 : SAVE
K37 : TIMER
K39 : SLEEP
K41 : AIR SWING
K49 : TEMP. ()
K50 : TEMP. ()
K53 : LOW FAN
K54 : MED FAN
K55 : HIGH FAN
K57 : FAN
K58 : HEAT
K60 : COOL
K63 : ON/OFF
(J)DB98-03455A(1)-2 9/12/01 1:26 PM Page 9-4