EasyManua.ls Logo

Samsung CLP-310 - Connection Diagram

Samsung CLP-310
146 pages
Print Icon
To Next Page IconTo Next Page
To Next Page IconTo Next Page
To Previous Page IconTo Previous Page
To Previous Page IconTo Previous Page
Loading...
System Diagram
Service Manual
5-2
Samsung Electronics
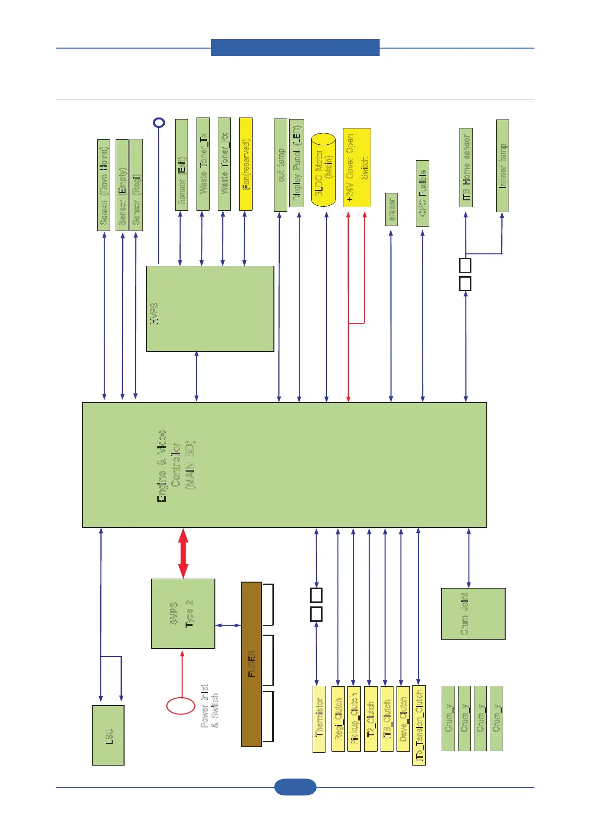
5.2 Connection Diagram
Engine & Video
Controller
(MAIN BD)
HVPS
24p FFC
SMPS
Type 2
Power Inlet
&Switch
16p
LSU
10p
5p
T2_Clutch
ITB_Clutch
Deve_Clutch
Display Panel (LED)
8p, FFC
BLDC Motor
(Main)
10p
Thermistor
Sensor (Deve Home)
Sensor (Empty)
3p
3p
FUSER
+24V Cover Open
Switch
16p FFC
2p,
Waste Toner_Tx
interfacecon
Sensor (Regi)
3p
3p
Pickup_Clutch
Regi_Clutch
2p
Charger
T2
T1
Supply
Rec Terminal
GroundWire, 225mm
Sensor (Exit)
2p
Waste Toner_Rx
2p
Fan(reserved)
3p
2p,
out temp
2p
eraser
Innner temp
2p
2p,
2p2p
2p
3p
3p
3p
2p
ITB Home sensor
interfacecon
5p 3p
Crum Joint
Crum_y
Crum_y
Crum_y
Crum_y
4p
Boardto
Board
contact
Rec Terminal Rec Terminal
ITb_Tension_Clutch
2p
OPC Fusible
4p

Other manuals for Samsung CLP-310

Related product manuals