EasyManua.ls Logo

Samsung DVM S VRF - Page 104

Samsung DVM S VRF
164 pages
Print Icon
To Next Page IconTo Next Page
To Next Page IconTo Next Page
To Previous Page IconTo Previous Page
To Previous Page IconTo Previous Page
Loading...
104
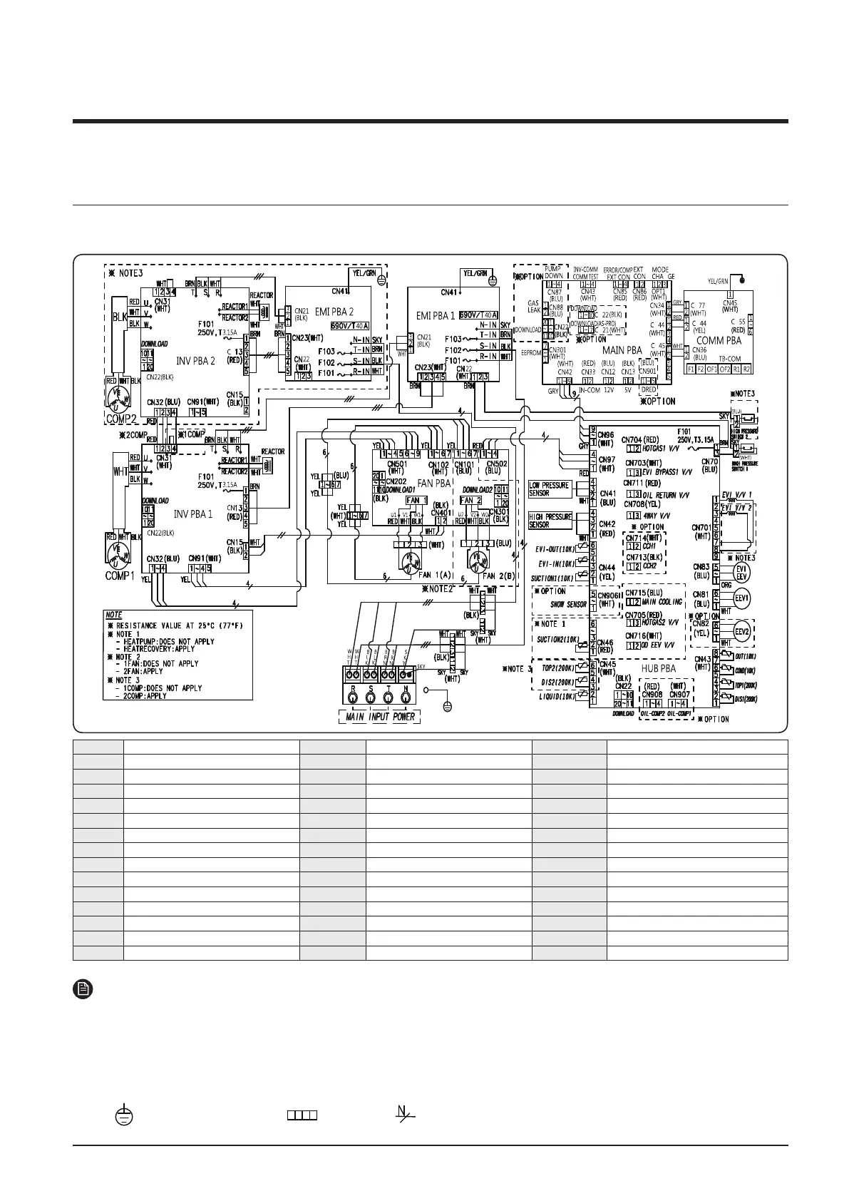
6. Electrical Wiring Diagrams
Outdoor unit
AM080JXVHGH/EU, AM100JXVHGH/EU, AM120JXVHGH/EU, AM140KXVGGH/EU, AM180KXVGGH/EU, AM200KXVGGH/EU, AM220KXVGGH/EU,
AM080JXVAGH/EU, AM100JXVAGH/EU, AM120JXVAGH/EU, AM140KXVAGH/EU, AM200KXVAGH/EU, AM220KXVAGH/EU
INV PBA1
Printed circuit board (inverter1)
EEV1
Electronic expansion valve 1
LIQUID(10K)
Thermistor (Liquid Tube Temp._10Kohm)
INV PBA2
Printed circuit board (inverter2)
EEV2
Electronic expansion valve 2
HOTGAS1 V/V Solenoid valve (Hot Gas Bypass1)
EMI PBA1
Printed circuit board (emi1)
EVI-OUT(10K)
Thermistor (EVI-out_10kohm)
EVI BYPASS V/V Solenoid valve (EVI BYPASS)
EMI PBA2
Printed circuit board (emi2)
EVI-IN(10K)
Thermistor (EVI-in_10kohm)
RETURN V/V Solenoid valve (Accumulator Oil Return)
FAN PBA
Printed circuit board (fan motor)
SUCTION1(10K)
Thermistor (Suction Temp.1_10Kohm)
4WAY V/V Solenoid valve (4 Way valve)
MAIN PBA
Printed circuit board (main)
SUCTION2(10K)
Thermistor (Suction Temp.2_10Kohm)
CCH1 Crank Case Heater (Compressor1)
HUB PBA
Printed circuit board (hub)
SNOW SENSOR
SNOW SENSOR
CCH2 Crank Case Heater (Compressor2)
COMM PBA
Printed circuit board (communication)
OIL-COMP1
Oil-Sensor (Compressor1)
MAIN COOLING Solenoid valve (Main cooling)
COMP1
Motor (compressor1)
OIL-COMP2
Oil-Sensor (Compressor2)
HOTGAS2 V/V Solenoid valve (Hot Gas Bypass2)
COMP2
Motor (compressor2)
OUT(10K)
Thermistor (Ambient Temp._10Kohm)
OD EEV V/V Solenoid valve (Outdoor EEV)
FAN1
Motor (fan1)
COND(10K)
Thermistor (Cond Out Temp._10Kohm)
F101 FUSE (Inverter PBA)
FAN2
Motor (fan2)
TOP1(200K)
Thermistor (Compressor Top 1_200Kohm)
690V/T40A FUSE (EMI PBA)
EVI V/V 1 Solenode valve (EVI1) TOP2(200K)
Thermistor (Compressor Top 2_200Kohm)
MODE CHANGE
Connector (Remote switching cool/heat selector)
EVI V/V 2 Solenode valve (EVI2) DIS1(200K)
Thermistor (Discharge Temp.1_200Kohm)
EXT CON Connector (Output EXT CON)
EVI EEV
Electronic expansion valve (EVI)
DIS2(200K)
Thermistor (Discharge Temp.2_200Kohm)
ERROR/COMP EXT Connector (Output ERROR/COMP EXT CON)
NOTE
This wiring diagram applies only to the outdoor unit.
Colors blk: black, red: red, blu: blue, wht: white, yel: yellow, brn: brown, sky: skyblue
When operating, don’t shortcircuit the protection device (High Pressure switch)
For connection wiring indoor-outdoor transmission F1-F2, outdoor_outdoor transmission OF1-OF2, refer to
the installation manual.
Protective earth(screw), : connector, : The wire quantity

Related product manuals