EasyManua.ls Logo

Samsung DVM S VRF - Page 98

Samsung DVM S VRF
164 pages
Print Icon
To Next Page IconTo Next Page
To Next Page IconTo Next Page
To Previous Page IconTo Previous Page
To Previous Page IconTo Previous Page
Loading...
98
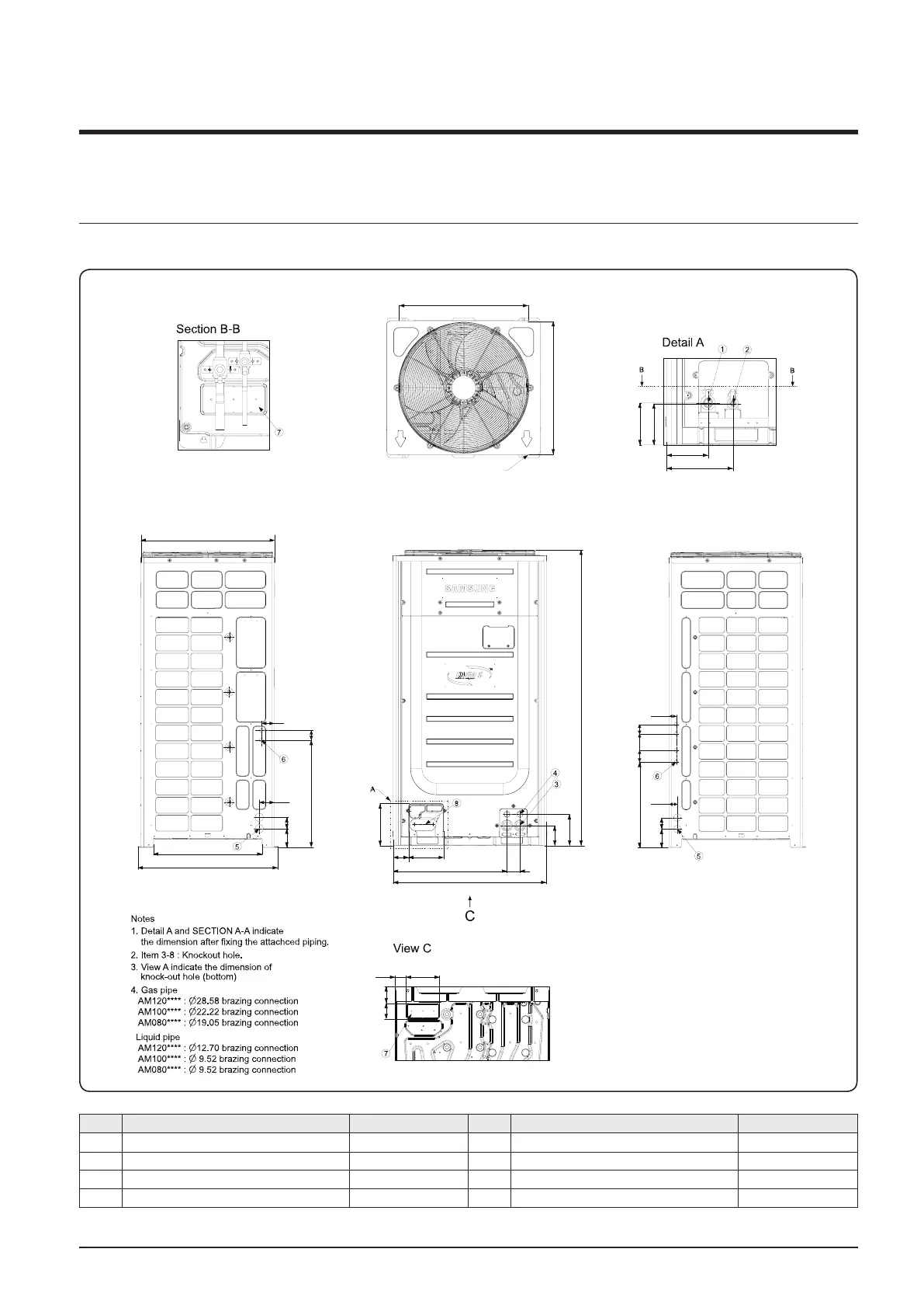
4. Dimensional Drawing
Outdoor unit
AM080JXVHGH/EU, AM100JXVHGH/EU, AM120JXVHGH/EU, AM080JXVAGH/EU, AM100JXVAGH/EU, AM120JXVAGH/EU
740
[2’-5”]
761
[2’-6”]
118
[4 3/4”]
239
[9 1/2”]
120
[4 3/4”]
381
[1’-3”]
192
[7 1/2”]
60
[2 1/2”]
625
[2 -1/2”]
75
[3”]
87
[3 1/2”]
55
[2 1/4”]
616
[2’-1/4”]
65
[2 1/2”]
107
[4 1/4”]
241
[9 1/2”]
880
[2’-10 3/4”]
179
[7”]
65
[2 1/2”]
492
[2’-6”]
65
[2 1/2”]
47
[1 3/4”]
107
[4 1/4”]
95
[3 3/4”]
55
[2 1/4”]
1695
[5’-6 3/4”]
115
[4 1/2”]
74
[3”]
653
[2’-1 3/4”]
89
[3 1/2”]
202
[8”]
803
[2’-7 1/2”]
90
[3 1/2”]
95
[3 3/4”]
40
[1 1/2”]
4-20 x 12 SLOT HOLE
Foundation bolt holes
Pitch of foundation bolt holes
Pitch of foundation bolt holes
765
[2'-6"]
Units : mm [inches]
NO Table of descriptions NO Table of descriptions
1 Gas Ref. pipe See note 4. 5 Power wiring conduit Φ22
2 Liquid Ref. pipe See note 4. 6 Communication wiring conduit Φ44
3 Power wiring conduit Φ34 7 Knock-out Hole for Ref. Piping (bottom)
4 Communication wiring conduit Φ44 8 Knock-out Hole for Ref. Piping (front)

Related product manuals