EasyManua.ls Logo

Samsung GT-E2550 - Page 39

Samsung GT-E2550
63 pages
Print Icon
To Next Page IconTo Next Page
To Next Page IconTo Next Page
To Previous Page IconTo Previous Page
To Previous Page IconTo Previous Page
Loading...
SAMSUNG Proprietary-Contents may change without notice
Flow Chart of Troubleshooting
9-7
This Document can not be used without Samsung's authorization
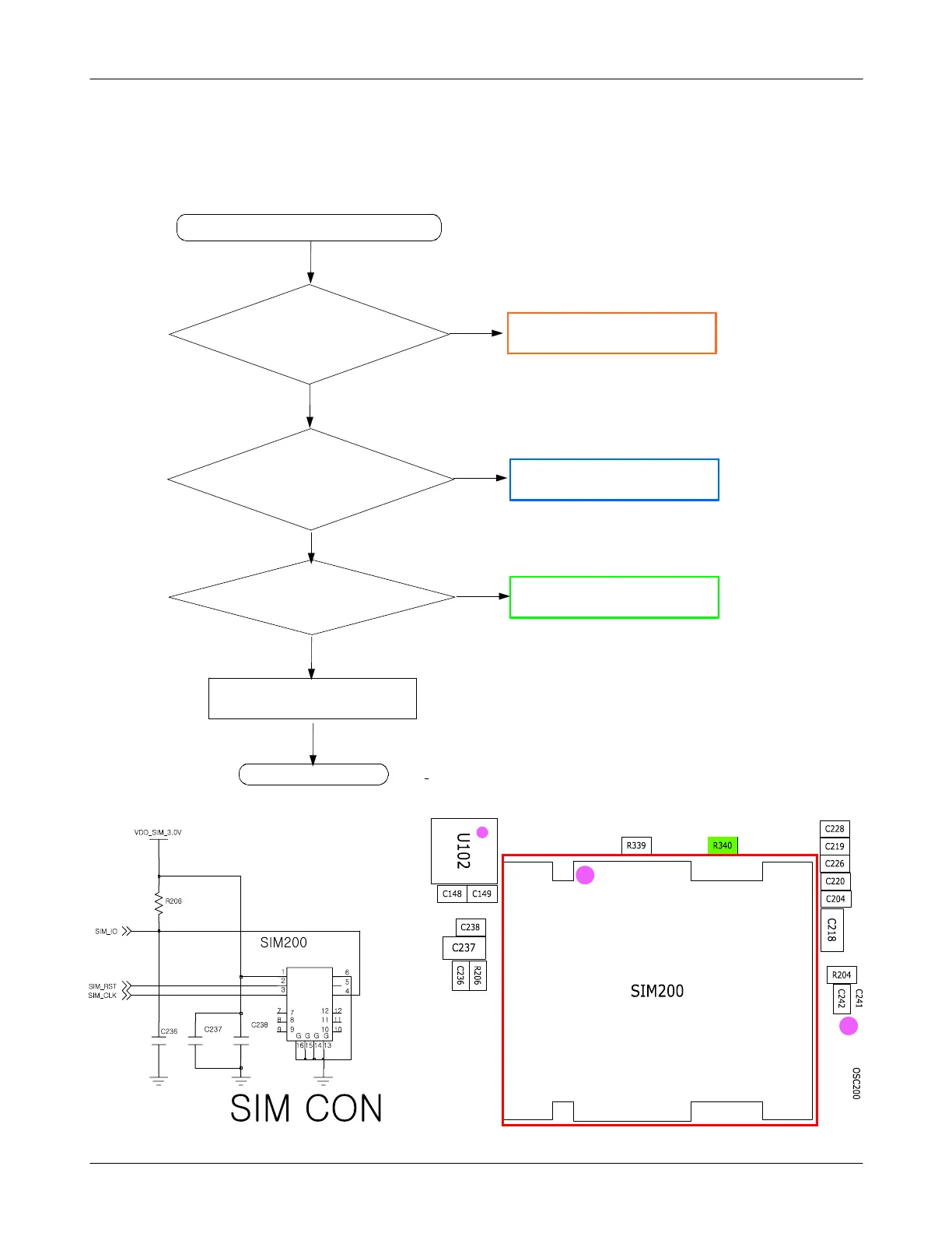
9-1-3.
Sim Part
After Power On,
Check SIMCLK Signal On
PIN#3 of SIM200 in
a
few
second
"
Insert SIM is displayed on the LCD
SIM200 PIN#1
=H?
Check the clock
Resolder or change UCP200
END
No
Yes
Yes
Yes
Yes
No
No
After SIM Card insert,
SIM200 PIN#2
="
H"
Replace PBA
Check the SIM Card

Related product manuals