EasyManua.ls Logo

Samsung MAX-557 - Page 45

Samsung MAX-557
55 pages
Print Icon
To Next Page IconTo Next Page
To Next Page IconTo Next Page
To Previous Page IconTo Previous Page
To Previous Page IconTo Previous Page
Loading...
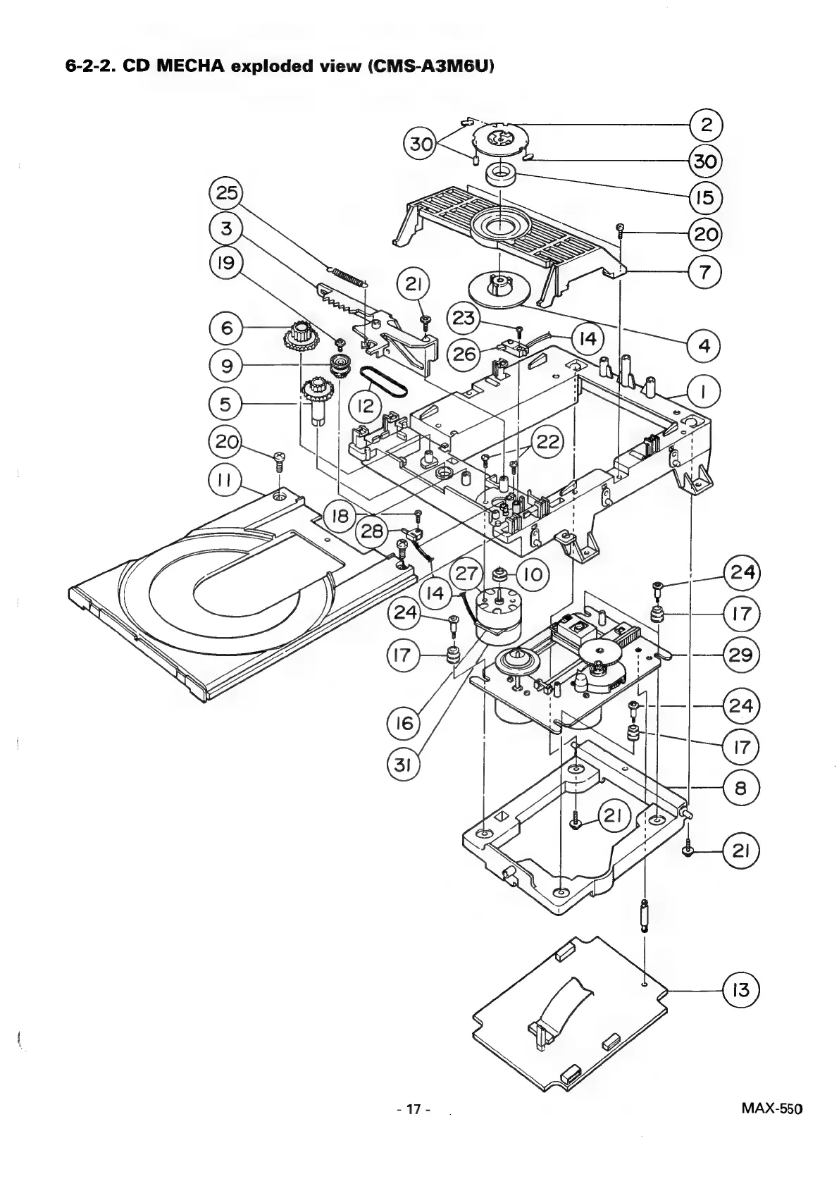
6-2-2.
CD
MECHA
exploded
view
(CMS-A3M6U)
XD
©
pS
ZN:
:
J}
Gg
—-
fan
MAX-550
-W7-

Related product manuals