EasyManua.ls Logo

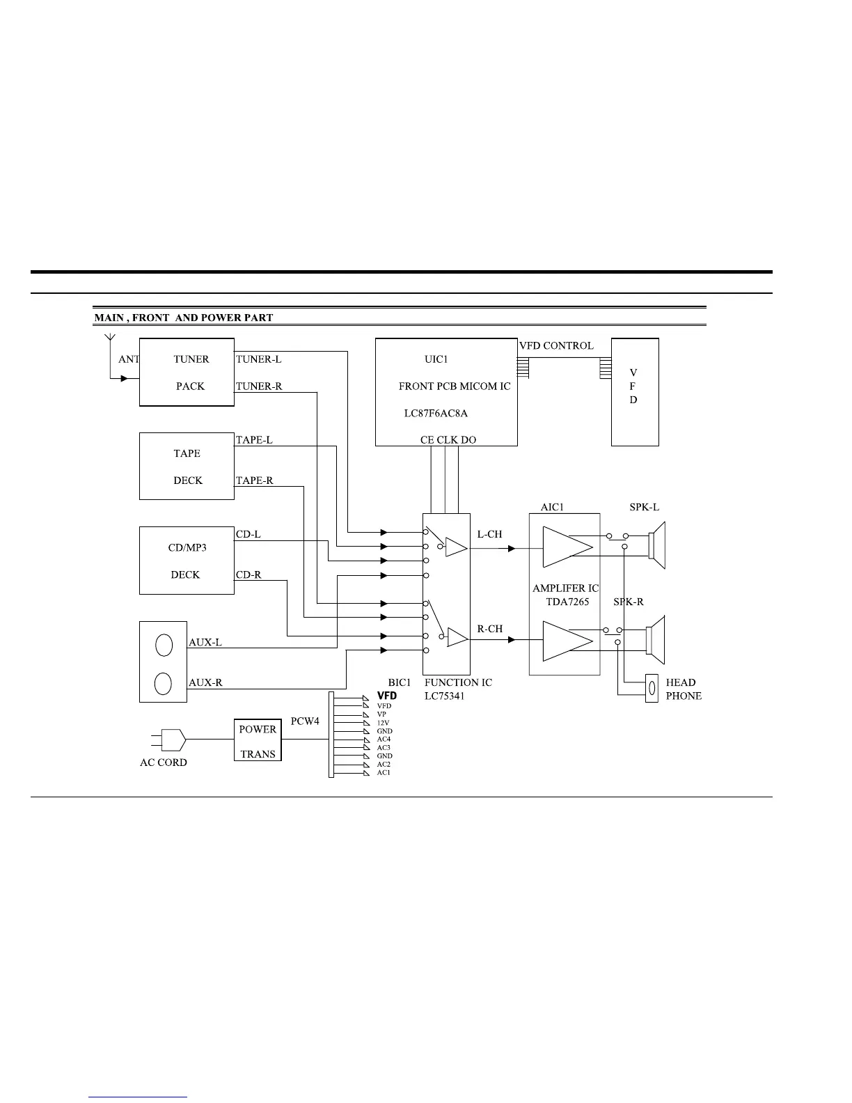
Samsung MAX-C570 - Block Diagram; Main, Front and Power Part Block Diagram

Samsung MAX-C570
45 pages
Print Icon
To Next Page IconTo Next Page
To Next Page IconTo Next Page
To Previous Page IconTo Previous Page
To Previous Page IconTo Previous Page
Loading...
Samsung Electronics 9-1
9. Block Diagram

Related product manuals