EasyManua.ls Logo

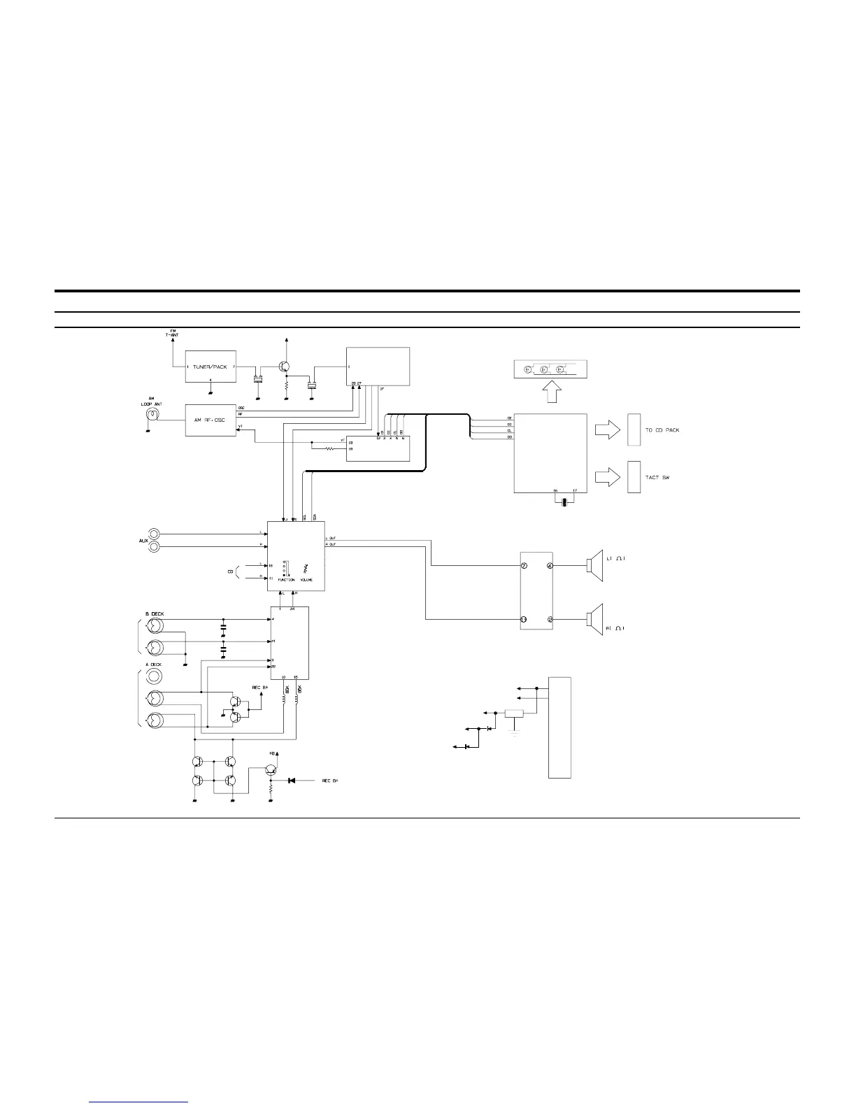
Samsung MAX-N22 - Block Diagrams; Main Unit Block Diagram

Samsung MAX-N22
24 pages
Print Icon
To Next Page IconTo Next Page
To Next Page IconTo Next Page
To Previous Page IconTo Previous Page
To Previous Page IconTo Previous Page
Loading...
Samsung Electronics 4-1
4. Block Diagram
MIC4
TDA7440D
MIC1
TAPE-EQ
KA22291
MIC6 LA1837
IF+MPX
UIC1
LC86P7284
MIC1
TDA7265
MIC7 LC72131
PLL
17 16 13
91
23
9
8
4
3
5
2
22
21
7
28
LCD
VC30V
G
7812
12V
9V
5V
4
4
4-1 Main

Other manuals for Samsung MAX-N22

Related product manuals