EasyManua.ls Logo

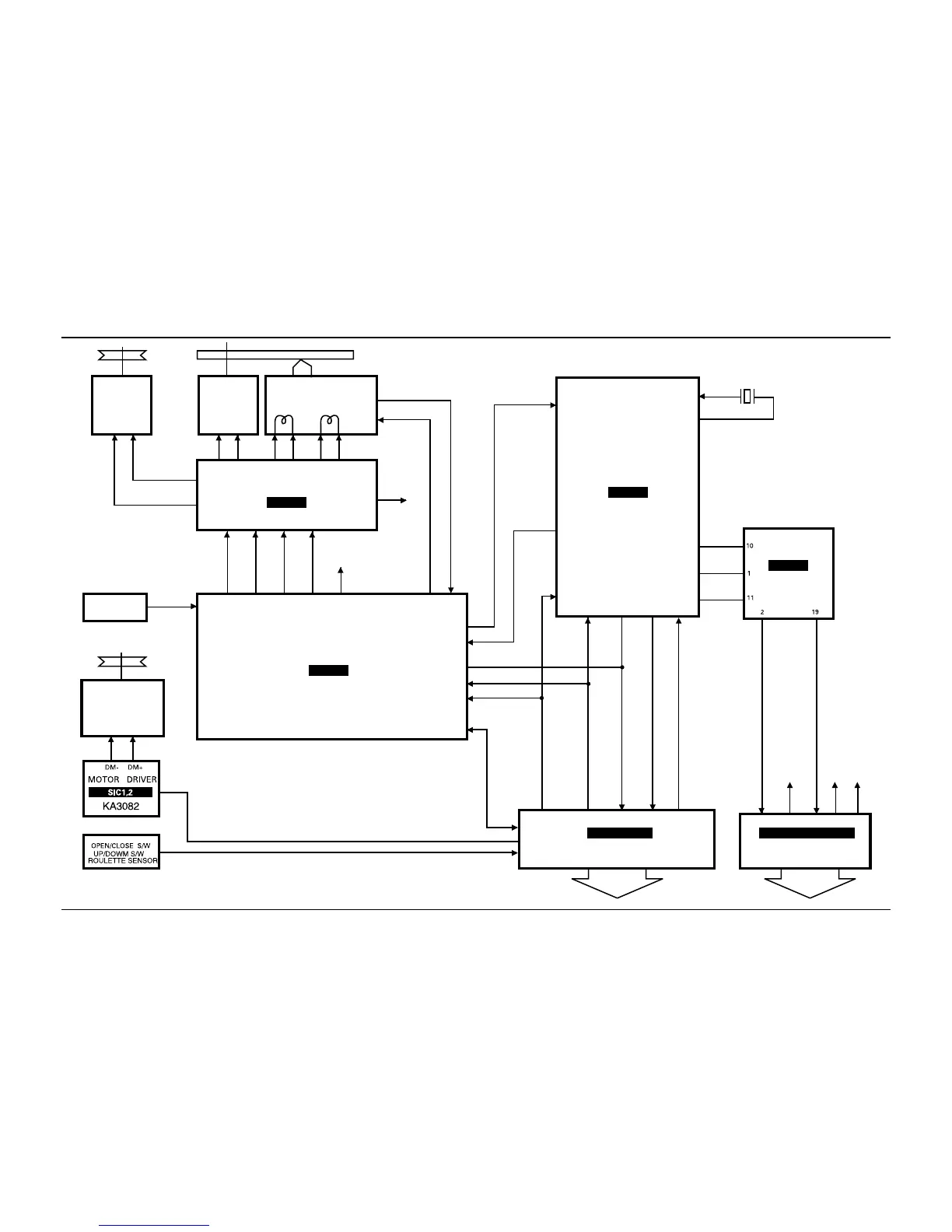
Samsung MAX-N22 - CD Part Block Diagram

Samsung MAX-N22
24 pages
Print Icon
To Next Page IconTo Next Page
To Next Page IconTo Next Page
To Previous Page IconTo Previous Page
To Previous Page IconTo Previous Page
Loading...
4-2 Samsung Electronics
4-2 CD Part(COMMON)
SLED
MOTOR
SPINDLE
MOTOR
PICK - UP
TRACKING
ACTUATOR
FOCUSING
ACTUATOR
A.B.C.D.E.F
LD.PD
DISC
SP+
SP-
TRK+ TRK-
FCS-
17
18
11 12 26 27 1
2
+5V
19
10
25 3
43
46
50
48
71P/U IN
LIMIT S/W
OPEN/CLOSE MOTOR
2
10
41
69.70
65.66.
67.68
33.30
29.25
22.24.23
31
35.36.37
38
40
MOTOR CONTROL
S/W SENSOR
FOK
MAIN PCB MAIN PCB
MICOM CTRL LINE
POWER / AUDIO LINE
19
R
G
L
21
20
36.37.38
68
25.26.30
29
10.70.72
73.75.76
27
MCK. MDATA. MLT
ISTAT
SQDT. LKFS. SOS1
SQCK
A. GND
R-CH
L-CH
GND
B+
RESET
LOCK.SMEF.WDCH.SMON.SMSD
SL IN
SP IN
TE IN
EF IN
VREF
SL-
SL+
MOTOR/ACTUATOR DRIVER
6
ASSP
KB9223
NIC 9223
SCW1
SCW4
SIC1,SIC2,SIC3
DIGITAL SIGNAL PROCESSOR
16.9344MHz
66.69
8
EFM.TRCNT
UP/DOWN
ROULETTE
MOTOR
MOTOR
KA9258
NIC 9258
KS9286
NIC9286
NIC9223
KB9223
9

Other manuals for Samsung MAX-N22

Related product manuals