EasyManua.ls Logo

Samsung MAX- WL85 - Page 27

Samsung MAX- WL85
35 pages
Print Icon
To Next Page IconTo Next Page
To Next Page IconTo Next Page
To Previous Page IconTo Previous Page
To Previous Page IconTo Previous Page
Loading...
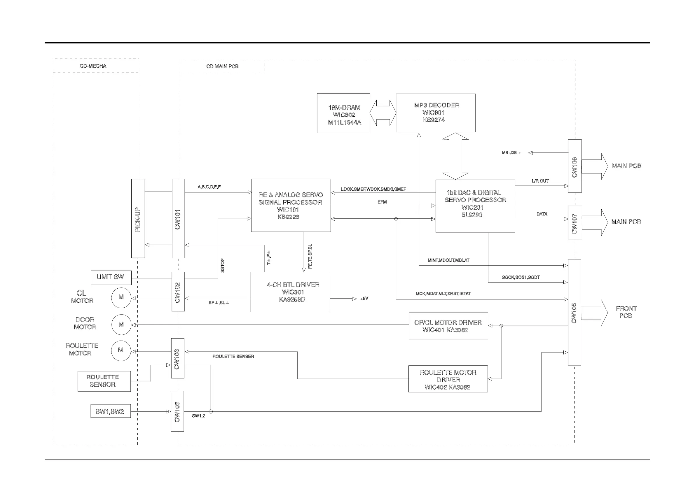
4-2 Samsung Electronics
4-2 CD

Related product manuals