EasyManua.ls Logo

Samsung RMCTPE1 - Diagrammi a Blocchi

Samsung RMCTPE1
71 pages
Print Icon
To Next Page IconTo Next Page
To Next Page IconTo Next Page
To Previous Page IconTo Previous Page
To Previous Page IconTo Previous Page
Loading...
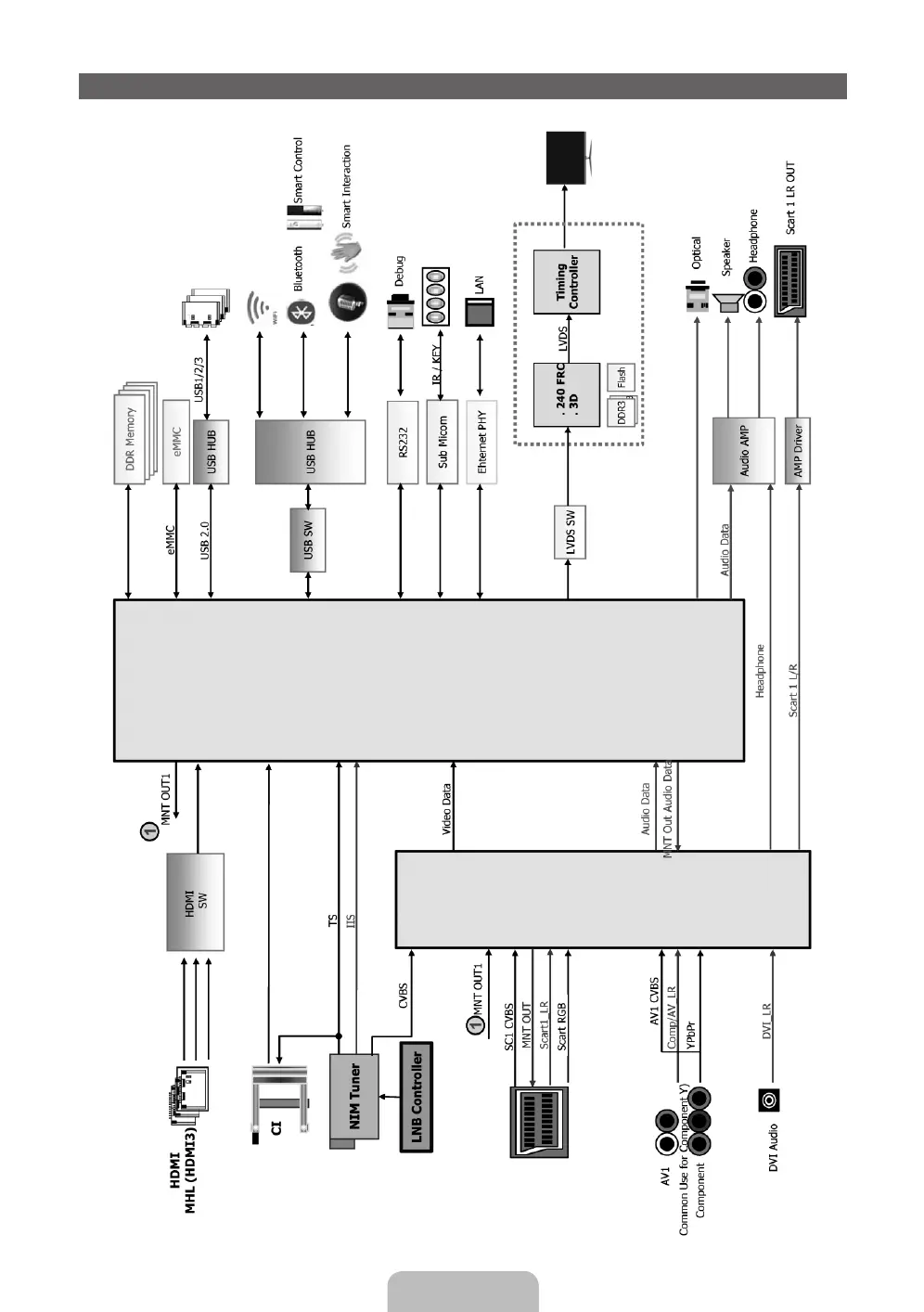
Diagrammi a blocchi
Italiano - 25
[PE8000_ZT]BN68_04062F_00L03.indb 25 2012-03-08  4:16:11

Related product manuals