EasyManua.ls Logo

Samsung SCL300 - Ass’y Rear Board Removal

Samsung SCL300
136 pages
Print Icon
To Next Page IconTo Next Page
To Next Page IconTo Next Page
To Previous Page IconTo Previous Page
To Previous Page IconTo Previous Page
Loading...
Samsung Electronics4-8
Disassemblr and Reassembly
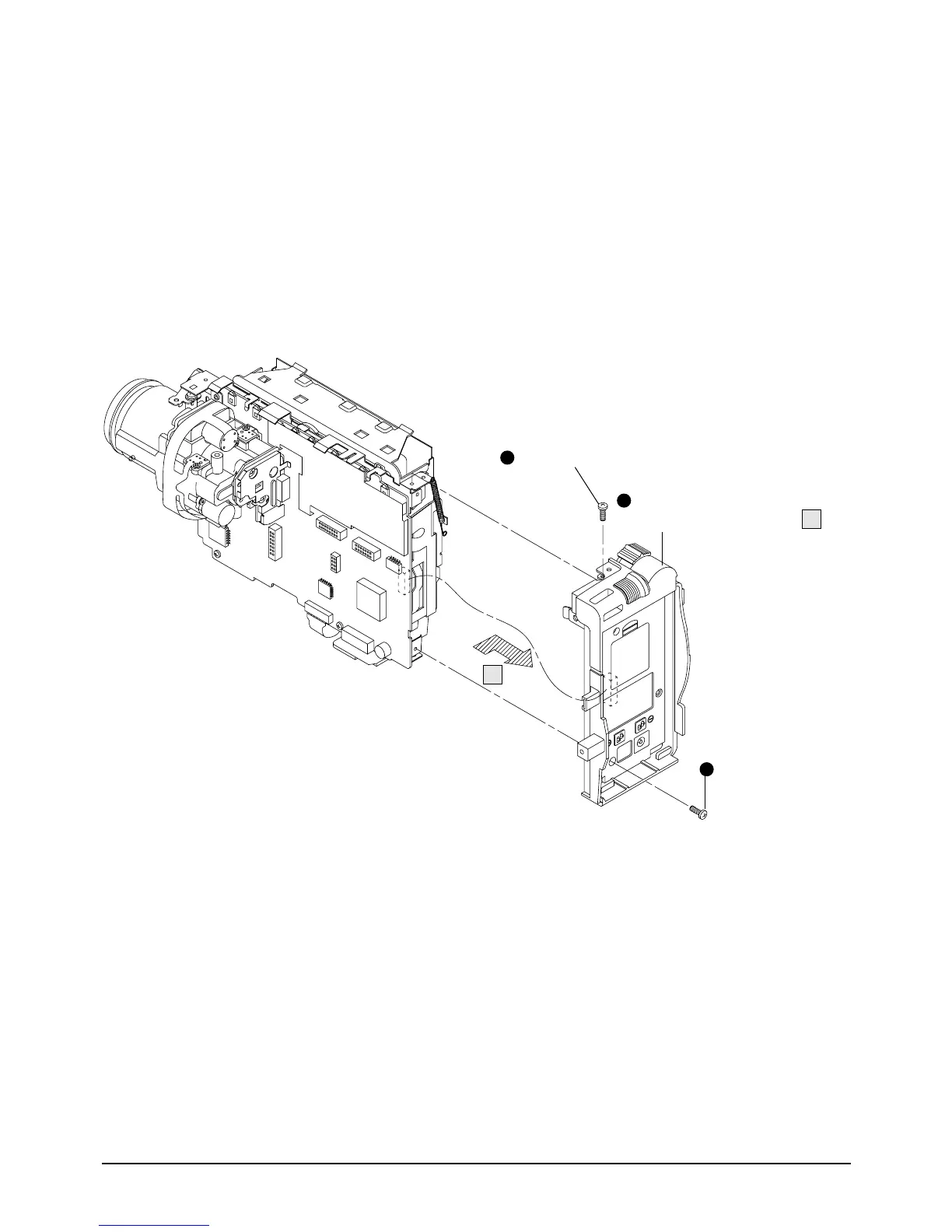
1
Remove 1 screw.
A
A
2
Remove 1 screw.
3
Pull out the ass'y REAR board
in the direction of arrow .
4-1-8 Ass’y Rear Board Removal
Fig. 4-8 Ass’y Case Rear Removal

Related product manuals