EasyManua.ls Logo

Samsung SCL300 - Ass’y 8 mm Deck Removal

Samsung SCL300
136 pages
Print Icon
To Next Page IconTo Next Page
To Next Page IconTo Next Page
To Previous Page IconTo Previous Page
To Previous Page IconTo Previous Page
Loading...
Samsung Electronics 4-9
Disassemblr and Reassembly
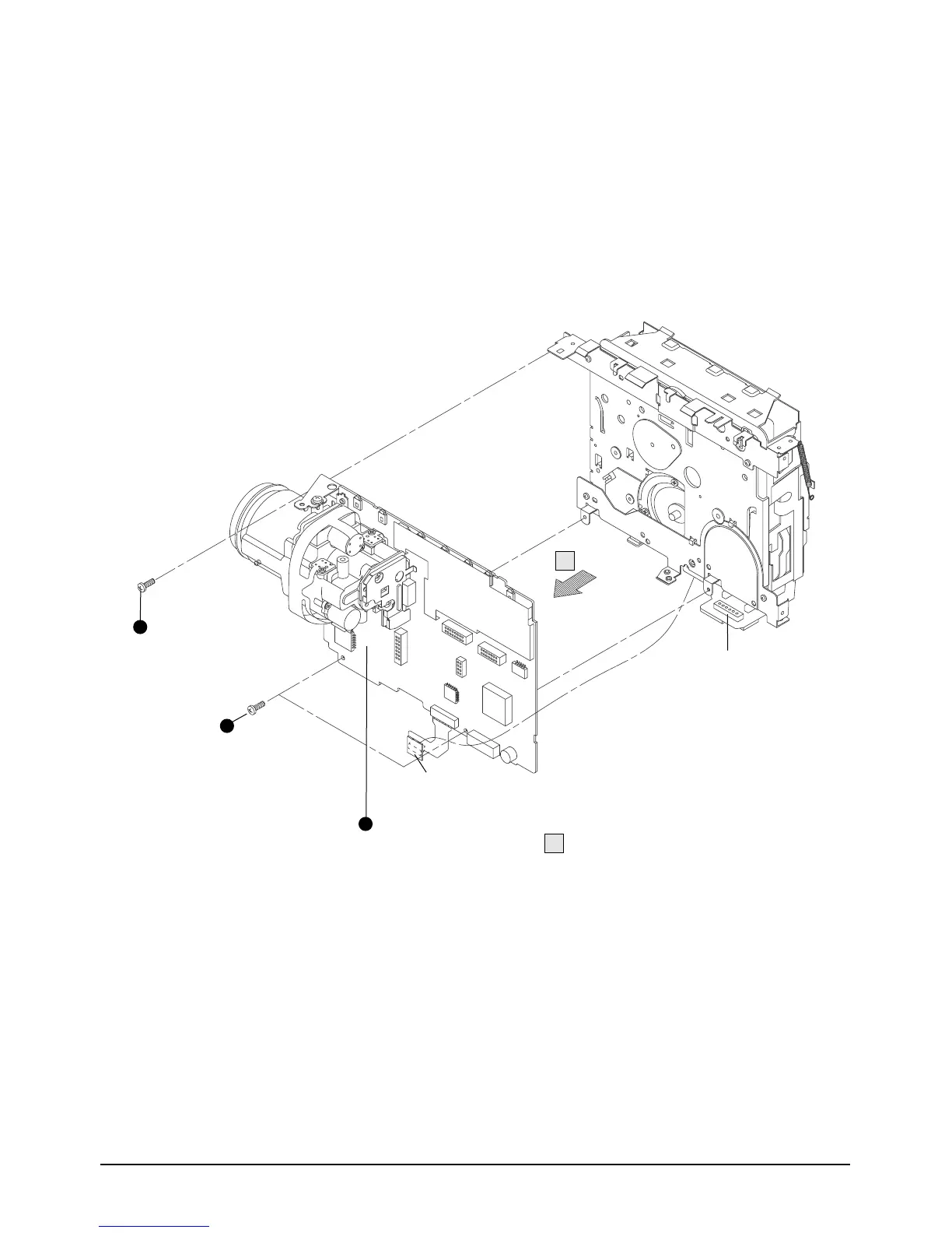
4-1-9 Ass’y 8mm Deck Removal
1
1
Remove 3 screws.
2
Pull out the MAIN PCB from the ass'y DECK
in the directiob of arrow .
A
A
Disconnect connector
from the MAIN PCB.
Disconnect connector
from the Head-Drum.
Fig. 4-9 Ass’y 8mm Deck Removal

Related product manuals